递归
递归
-
A方法调用B方法,我们很容易理解!
-
递归就是:A方法调用A方法!就是自己调用自己
-
利用递归可以用简单的程序来解决一些复杂的问题。他通常把一个大型复杂的问题层层转化为一个与原问题相似的规模较小的问题来求解,递归策略只需少量的程序就开描述出解题过程所需要的多次重复计算,大大地减少了程序的代码量。递归的能力在于用有限的语句来定义对象的无限集合。
-
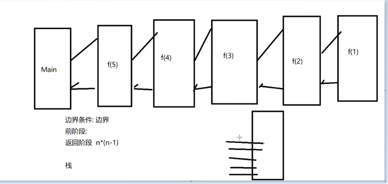
递归结构包括两个部分:
-
递归头:什么时候不调用自身方法。如果没有头,将陷入死循环
-
递归体:什么时候需要调用自身方法



我的一生
第1章-废物的一生
第50章-糟糕的婴儿
第300章-莫欺少年穷
第600章-莫欺中年穷
第1000章-莫欺老年穷
第1100章-不详的离去
第1101章-棺材板的震动
第1150章-盗墓贼的眼泪
第1200章-死者为大

浙公网安备 33010602011771号