Lab3 Page Tables
Lab3 Page Tables
1. Print a page table(easy)
1.1 题目
写一个vmprint()函数,该函数的参数是一个pagetable,以指定的形式打印pagetable。在exec.c的exec函数中插入if (p->pid == 1) vmprint(p->pagetable),用以打印第一个进程的pagetable
1.2 分析
这道题主要考察以下方面
- 对PTE,PNN,FLAG等概念的理解
- PTE转化为下一级pagetable物理地址的方法
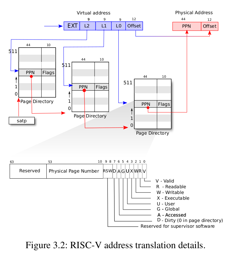
- xv6多级页表的结构,虚拟地址的组成以及位数,物理地址的组成以及位数
- user address space的组成
xv6虚拟地址的组成:
| ETX | L2 | L1 | L0 | offset |
|---|---|---|---|---|
| 25位(无用) | 9位 | 9位 | 9位 | 12位 |
va转换为pa的过程:

2^9=512,所以每一级pagetable都有512个PTE,每个PTE是64位的,所以每个pagetable的大小为512×64/8=4096Byte,即一页。由此可知,pagetable也是按页分配的,实际上kalloc就是按页分配的。PTE中存的值很神奇,后10位表示下一页的权限信息(合法,读,写,可执行,用户可用等),定义在riscv.h中:
#define PTE_V (1L << 0) // valid
#define PTE_R (1L << 1)
#define PTE_W (1L << 2)
#define PTE_X (1L << 3)
#define PTE_U (1L << 4) // 1 -> user can access
将最后10位丢弃以后再在后面添12个0,变成64位,得到下一级pagetable的pa。
-
问题:为什么要补12个0?
-
答:因为pagetable是按页分配的,补12个0刚好可以让地址变成4096的倍数。
可以将pagetable理解成一个有512个inidex的数组,只不过这个数组是三级的,最后一级才会获取pa
需要注意的是,va中L2实际上只有8位,所以第一级页表只有256(0-255)个PTE
user address space:

1.3 实现
比较简单,直接递归打印即可。
void
vmprint(pagetable_t pagetable)
{
static int flag = 0;
static int level = 2; //表示pagetable所在的level
if (level < 0)
return;
if (!flag) {
printf("page table %p\n", pagetable);
flag = 1;
}
for (int i = 0; i < 512; i ++) {
pte_t pte = pagetable[i];
if (pte & PTE_V) {
if (level == 2)
printf("..");
else if (level == 1)
printf(".. ..");
else
printf(".. .. ..");
uint64 child = PTE2PA(pte); //将pte中的值转换为下一级页表的pa,通过函数PTE2PA,在riscv.h中声明
printf("%d: pte %p pa %p\n", i, pte, child);
level -= 1;
vmprint((pagetable_t)child);
level += 1; //恢复现场
}
}
}
注意观察输出结果:

一点解释:这个用户程序是init,在kernel/proc.c中,在函数userinit中被加载进了第一个process,因为我们需要if (p->pid == 1) vmprint(p->pagetable)来打印。
-
page 0的最后两位是1f,换成二进制就是00011111,可以得到对应的权限,根据该权限以及它的pte编号,查看user address space图可知,它映射是text和data(在init程序中,text和data合一起了)
-
page 2同理可得映射的是stack
-
page 1没有user权限,映射的是guard page
-
page 511的最后两位是0b,换成二进制就是00001011,它是合法的,有可执行,读权限,但是没有写权限,在加上它是从顶部被映射,所以应该是trampoline(trampoline:contains the instructions transition in and out of the kernel)
-
为啥第一级页表最大只有255,而不是 511,明明映射的是va最大的trampoline。答:L2只用了8位
2. A kernel page table per process (hard)
2.1 题目
背景:kernel有一个全局kernel pagetable,而每个进程都有一个process pagetable。当进入内核态,若kernel使用一个用户指针(va)时,往往需要通过查找三级页表的方法来获取pa,本题和下一题的目的就是通过每个进程的kernel pagetable,可以让kernel直接deference va得到pa,不需要通过手动walk,来让内核程序员过得更轻松一些
将kernel的映射都复制到每个进程的kernel pagetable中,这样当进程在kernel中执行时可以使用自己的kernel pagetable。
2.2 分析
kernel address space的映射方式,左边虚拟地址,右边是物理地址

在PHYSTOP以下,kernel address space 的映射方式是恒等映射。KERNBASE以下是device,以上是RAM。对于device的i映射在kernel/vm.c中的kvminit函数,中间的kernel text和kerneldata就是kernel所在的位置了。顶部的kstack映射方式不是恒等映射,而是把它放得很高,映射到下面,之所以把kstack放得这么高,是因为stack从高处向下延伸,并且需要guard page来防止kstack过大,一旦kstack“侵入”guard page,由于guard page的pte的flag PTE_U是0,用户不允许访问,因此会触发异常。kstack的映射是在kernel/vm.c中的procinit函数分配的。
这里讨论一下物理内存的分配。所有物理内存的分配都是通过kalloc函数,在kernel/kalloc.c中。上面一直说的pagetable,其内存也需要分配,而分配的内存就在上图free memory对应的物理地址。内存按页分配,free memory的每一页都是由链表串起来的,详情见kalloc.c。kstack的空间也是由kalloc分配的,再将其通过pagetable和va建立映射。
2.3 实现
-
在
struct proc中加入pagetable_t kernel_pagetable这样每个进程就都有自己的kernel_pagetable了 -
写一个函数proc_kpagetable来为每个进程申请kernel_pagetable的空间,借用函数uvmcreate
pagetable_t proc_kpagetable(void) { pagetable_t kpagetable = uvmcreate(); uvmmap(kpagetable, UART0, UART0, PGSIZE, PTE_R | PTE_W); uvmmap(kpagetable, VIRTIO0, VIRTIO0, PGSIZE, PTE_R | PTE_W); uvmmap(kpagetable, CLINT, CLINT, 0x10000, PTE_R | PTE_W); uvmmap(kpagetable, PLIC, PLIC, 0x400000, PTE_R | PTE_W); uvmmap(kpagetable, KERNBASE, KERNBASE, (uint64)etext-KERNBASE, PTE_R | PTE_X); uvmmap(kpagetable, (uint64)etext, (uint64)etext, PHYSTOP-(uint64)etext, PTE_R | PTE_W); uvmmap(kpagetable, TRAMPOLINE, (uint64)trampoline, PGSIZE, PTE_R | PTE_X); return kpagetable; } -
因为进程申请是通过
allocporc函数,所以在该函数中调用proci_kpagetable函数 -
此时KERNBASE以下的device部分映射好了,还需要为每个进程申请kstack,方法基本可以参考userinit函数中的相关代码。现对该函数分析:
// initialize the proc table at boot time. void procinit(void) { struct proc *p; initlock(&pid_lock, "nextpid"); for(p = proc; p < &proc[NPROC]; p++) { initlock(&p->lock, "proc"); // Allocate a page for the process's kernel stack. // Map it high in memory, followed by an invalid // guard page. char *pa = kalloc(); if(pa == 0) panic("kalloc"); uint64 va = KSTACK((int) (p - proc)); kvmmap(va, (uint64)pa, PGSIZE, PTE_R | PTE_W); p->kstack = va; } kvminithart(); }该函数直接为每个进程都分配了kstack,不管这个进程目前是否使用或创建。因而日后如果创建进程的话,可以省略映射kstack步骤,因为已经映射好了。然而这是在全局kernel pagetable实现的,为了将映射实现在用户自己的kernel pagetable上(
kvmmap),我们需要移植这个功能。但是,移植完以后务必将procinit中的映射注释掉,否则,每个进程的kstack将被映射两次,且两次被映射到不同的物理地址上,这就出现了问题。最终allocproc如下:static struct proc* allocproc(void) { ... // Allocate a kernel_pagetable p->kernel_pagetable = proc_kpagetable(); // 映射kernel stack char *pa = kalloc(); if (pa == 0) panic("kalloc"); uint64 va = KSTACK((int) (p - proc)); uvmmap(p->kernel_pagetable, va, (uint64)pa, PGSIZE, PTE_R | PTE_W); p->kstack = va; ... } -
free kernel_pagetable,当一个进程结束时,需要释放这个进程的空间(物理地址),包括页表和kstack,因为这两个是通过kalloc申请来的。由于页表有三层,所以需要递归地释放
void proc_freekpagetable(pagetable_t pagetable, int level) { if (level < 0) return; for (int i = 0; i < 512; i ++) { pte_t pte = pagetable[i]; if ((pte & PTE_V) && (pte & (PTE_R | PTE_W | PTE_X)) == 0) { uint64 child = PTE2PA(pte); proc_freekpagetable((pagetable_t)child, level - 1); pagetable[i] = 0; } } kfree(pagetable); pagetable = 0; }而kstack空间的释放,可直接调用uvmunmap函数,最终freeproc函数为:
static void freeproc(struct proc *p) { ... if (p->kstack) uvmunmap(p->kernel_pagetable, p->kstack, 1, 1); p->kstack = 0; if (p->kernel_pagetable) proc_freekpagetable(p->kernel_pagetable, 2); p->kernel_pagetable = 0; ... }注意这里一定要先释放kstack,再释放页表,否则如果先释放页表,kstack将无处可循,这部分的内存再也找不到了,造成了内存泄漏。
-
scheduler进程调度。scheduler函数中,当选定某个进程执行前,需要将用户的kernel_pagetable载入satp(通过w_satp函数),并刷新TLB(通过sfence_vma函数)。调用结束后,需要切换会全局kernel pagetable
void scheduler(void) { ... w_satp(MAKE_SATP(p->kernel_pagetable)); sfence_vma(); swtch(&c->context, &p->context); // 上下文切换? kvminithart(); // 恢复kernel ... }
3. Simplify copyin/copyinstr(hard)
3.1 题目
通过以上的步骤,我们还是没能实现对va的directly dereference,不过我们已经迈出了很重要的一步了。上面我们一直是通过walk的方式来得到pa,而所谓directly dereference,就是指给定一个va,直接取消引用(*va)就能够得到pa。在执行某个用户进程时,scheduler会将该进程的pagetable(pa)载入satp,如果我们将user program映射到proc' kernel pagetable,那么给定一个va,mmu就会从该页表里自动walk来寻找pa。而这一切的前提就是satp指向那个pagetable,mmu是依赖于satp指定的页表的.
因此我们的任务就是将user program映射到用户的kernel pagetable
3.2 实现
-
将user program映射到用户的kernel pagetable
void user2kpagetable(pagetable_t kpagetable, pagetable_t pagetable, uint64 oldsz, uint64 newsz) { if (newsz >= PLIC) panic("user2pagetable: too big sz"); for (int i = oldsz; i < newsz; i += PGSIZE) { pte_t *upte = walk(pagetable, i, 0); if (upte == 0) { panic("user2kpagetable: unmaped va"); } if ((*upte & PTE_V) == 0) { panic("user2kpagetable: invalid va"); } pte_t *kpte = walk(kpagetable, i, 1); *kpte = *upte; *kpte = *kpte & ~PTE_U; // 将kpte的PTE_U置为0,因为题目里说“A page with PTE_U set cannot be accessed in kernel mode” } }这里直接复制最后一级页表的pte即可,实际上除了为了实现映射而申请的各级pagetable外,并没有消耗其他内存
-
在exec,fork以及sbrk中加入上述函数调用,因为这几个函数都修改(创建,扩大或载入)了user program,需要将其映射到用户的kernel pagetable。
//exec int exec(char *path, char **argv) { ... #ifdef LAB3_PGTBL user2kpagetable(p->kernel_pagetable, p->pagetable, 0, p->sz); #endif ... }//fork int fork(void) { ... #ifdef LAB3_PGTBL user2kpagetable(np->kernel_pagetable, np->pagetable, 0, np->sz); #endif ... }注意在fork中,虽然子进程np是父进程p的副本,它们在pa中的内容都一样,但是还是要复制子进程np到进程的kernel pagetable,原因是,如果父进程在子进程返回之前就exit了,我们父进程就会被释放,里面的内容也就随之消失了,所以要复制子进程。
//sbrk // Grow or shrink user memory by n bytes. // Return 0 on success, -1 on failure. int growproc(int n) { uint sz; struct proc *p = myproc(); sz = p->sz; uint64 oldsz = sz; if(n > 0){ if((sz = uvmalloc(p->pagetable, sz, sz + n)) == 0) { return -1; } } else if(n < 0){ sz = uvmdealloc(p->pagetable, sz, sz + n); } p->sz = sz; #ifdef LAB3_PGTBL user2kpagetable(p->kernel_pagetable, p->pagetable, oldsz, p->sz); #endif return 0; }user2kpagetable函数中的参数newsz和oldsz就是为sbrk服务的,因为sbrk扩大或缩小,需要对增量部分映射
-
在copyin和copyinstr中调用copyin_new和copyinstr_new。这相当与是对上述工作的检验,因为原来的copyin和copyinstr函数是调用walk来获取pa的,而copyin_new和copyinstr_new是通过取消引用来获取pa的

浙公网安备 33010602011771号