1553B技术
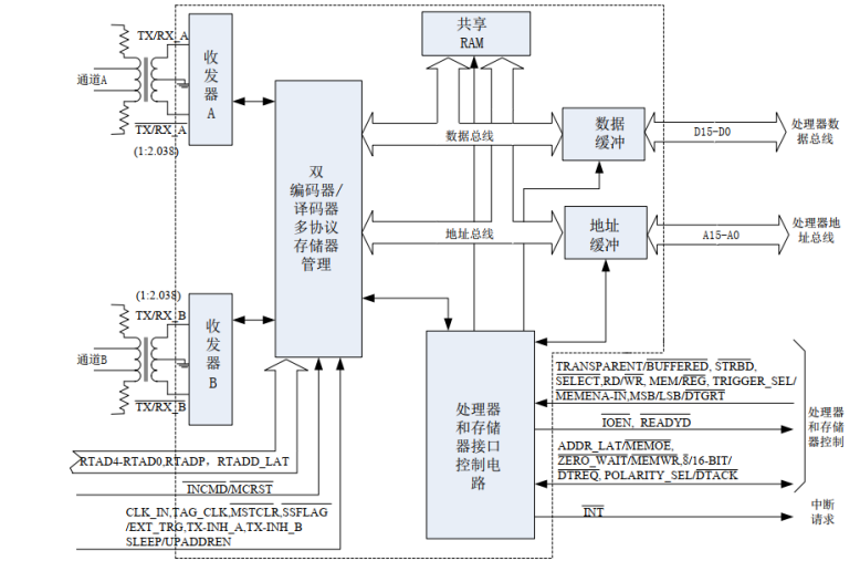
1553B方案的验证,1553B作为该系统的难点,存在一定风险。按照DCC公司提供的BU-64843的数据手册绘制出此模块的原理图。该芯片在国内有不少厂家在做,例如中电58所,北京微电子技术研究所,湖南毂梁微电子等都有量产产品,可完全替代。
该芯片的基本硬件框图如下:

B64843/B64843GC电路的收发器是单片集成的, 3.3V供电。 B64843收发器采用电流型驱动, B64843GC采用电压型驱动。 3.3V收发器需要使用升压隔离变压器而不能是降压的。相比5V、 12V、 15V收发器,这能够承受更高的终端输入阻抗,并允许系统接口到隔离变压器之间的电缆更长。接收器部分在过压保护、阈值、普通模式抑制字错误率上都和B61580系列电路类似 。
输出通道的隔离变压器,为了在长距离的环境下传输,线圈匝数选择1:1.79。在为 B64843/B64843GC 选择隔离变压器时,对其漏电感的最大值有限制。如果超出限制值,发射器的上升和下降时间可能会增加,如果增加就会导致总线上的幅值下降到低于1553B 标准要求的最低水平。
另外,过度的漏电感会导致变压器动态补偿超出 1553B 标准的规定。最大允许漏电感与耦合方式有关。对变压器耦合,最大值为 5.0μH,直接耦合最大值为10μH,它们的测量方式如下:B64843/B64843GC43变压器与B64843/B64843GC 连接的一侧称为一次绕组。如果初级绕组的一侧与中心抽头短接,那么在次级绕组侧将能测量到电感值。这个值一定小于 5.0μH(变压器耦合)和10μH(直接耦合)。同样,将初级绕组的另一侧与中心抽头连接也能得到一样的结果。两种测量方法的不同点在于测得的漏电感值不一样。两者的差值分别小于 1.0μH(变压器耦合)和2.0μH。

浙公网安备 33010602011771号