电路方案分析(十三)采用 CAN 的汽车分立式 SBC 预升压、后降压参考设计方案
采用 CAN 的汽车分立式 SBC 预升压、后降压参考设计方案
tips:TI设计方案参考分析:TI Designs:TIDA-01429
SBC:系统基础芯片.
详细参见:https://mxioum.blog.csdn.net/article/details/121731100
SBC是一种集成电路(IC),它结合了一个系统的许多典型的构建模块,其中包括收发器、线性调节器和开关调节器。虽然这些集成设备可以在许多应用程序中节省规模和成本,但集成设备并不是在每种情况下都能工作。对于SBC不太适合的应用程序,构建上述这些构建块的离散实现,从而生成离散的SBC可能是有益的。
这里介绍的是分立的。
该设计方案实施了一款分立式SBC,配有输出电压设置为 8V 的宽输入电压升压电路。升压电路连接有一个输出电压设置为 5V 的宽输入电压降压转换器(用于为控制器局域网 (CAN) 收发器供电)和一个紧凑型 3.3V 固定电压线性压降 (LDO) 稳压器(用于为 C2000™微控制器 (MCU) 供电)。
此设计已按照电波暗室 (ALSE) 方法进行了 CISPR 25 辐射发射测试,采用电压方法进行了 CISPR 25 传导发射测试,并根据 ISO 11452-4 进行了抗大电流注入 (BCI) 测试,所有测试均在 CAN 通讯以 500KBPS 的速率下运行时进行。可用于多种 需要在 低至 3.5V 的输入电压条件下运行的汽车应用。

方案特性:
• 宽输入电压,可调节升压控制器
• 宽输入电压,可调节降压转换器
• 低输入电压,固定 3.3V LDO
• 具有高达 5MBPS 灵活数据速率 (FD) 的 CAN 收发器
• 采用 ALSE 方法通过了 CISPR 25 5 类辐射发射测试
• 采用电压方法通过了 CISPR 25 4 类传导发射测试
• 通过了 ISO 11452-4 大电流注入测试
• 能够承受高达 40V 的负载突降电压
• 能够承受高达 –40V 的电池反向电压
• 通过将电池输入电压降至 3.5V 来维持稳定的 5V 和3.3V 电源。
1.系统概述

该方案设计设计实现了一个三级功率树。第一级是具有输入电压设置为8.1 V的宽输入电压升压控制器。当电池提供的输入电压大于设置输出电压以上的二极管下降时,升压控制器过渡到0%占空比并且输入电压通过高侧肖特基二极管。因此,在调节期间,升压控制器的输出电压将始终为8.1 V或更高。
因此,第二阶段5-V降压转换器也需要是一个宽的输入电压装置。5-V电源用于驱动一个CAN物理层接口和一个紧凑的、低输入电压LDO调节器,用于为C2000单片机创建3.3-V电源轨。
随着越来越多的MCU从5V过渡到3.3 V,对多重调节电源轨的必要性在汽车中越来越普遍。
本设计的第一级升压调节器严格用于在启动和停止或冷曲柄情况下的低压瞬变时提高降压转换器的输入电压。在标称车辆电池电压期间,设备转换到0%的占空比操作,输入电压通过高侧,肖特基二极管传递到输出。第二级降压调节器是1.5A宽输入电压降压转换器,将第一级输出调节至5V。最后,使用低输入电压150mA,固定3.3V LDO为单片机供电。
方案关键参数表


2.系统综述
(1)系统框图

(2)关键器件
- LM5022-Q1:汽车级,宽输入电压,非同步,升压,直流-直流控制器;
- TPS57140-Q1: 汽车,宽输入电压,非同步,降压,直流-直流转换器;
- TLV71333P-Q1: 汽车,低输入电压,固定3.3V LDO;
- TCAN1042V-Q1:具有CAN FD和IO水平移位的汽车故障保护CAN收发器;
- TMS320F28030Q: 汽车,高效的32位™单片机;
- SN74LVC2G06-Q1: 汽车,双逆变器缓冲器和驱动器与开漏极输出
- SN74AHCT1G04-Q1: 汽车,5V,单逆变器门与晶体管-晶体管逻辑(TTL)输入阈值
- CSD17313Q2: 30vn通道,NexFET™功率MOSFET
①LM5022-Q1
LM5022-Q1是一种高压、低侧、N通道的MOSFET控制器,理想地用于升压和SEPIC调节器。该设备包含了实现单端主拓扑所需的所有特性。输出电压调节是基于电流模式控制的,在提供固有的输入电压前馈的同时,简化了回路补偿的设计。
LM5022-Q1包括一个启动调节器,可在6V到60 V的宽输入范围内工作。脉宽调制(PWM)控制器是为高速能力而设计的,它包括高达2.2 MHz的振荡器频率范围和小于100 ns的总传播延迟。其他功能包括误差放大器、精度参考、线路欠压锁定、逐循环电流限制、斜率补偿、软启动、外部同步能力和热停机。


②TPS57140-Q1
TPS57140-Q1设备是一个42-V,1.5-A,降压调节器,与一个集成的,高侧的MOSFET。电流模式控制提供了简单的外部补偿和灵活的组件选择。低波纹、脉冲跳过模式将空载、可调节的输出电源静止电流降低到116 μA。当使能销处于低状态时,停机电流降低至1.5 μA。
低电压锁定在内部设置为2.5 V,但可以使用使能引脚增加。输出电压启动斜坡由慢启动引脚控制,也可以配置用于排序或跟踪。当输出值在其标称电压的92%到109%以内时,一个开漏极、功率良好的信号表示。该输出可用于排序第二调节器或驱动单片机的复位输入引脚。
一个较宽的开关频率范围允许优化效率和外部组件的尺寸。频率折叠和热停机可在过载状态下保护零件。TPS57140- Q1有10针热增强型MSOP-PowerPAD™包(DGQ)和10针VSON包(DRC)。


③TLV71333P-Q1
TLV713P-Q1系列LDO线性调节器是低静止电流LDOs,具有优良的线路和负载瞬态性能,为功率敏感应用设计。这些设备提供了1%的典型精度。此外,TLV713P-Q1系列器件被设计为稳定的,没有输出电容器,可以实现非常小的溶液尺寸,但如果使用任何输出电容器,则保持稳定。
TLV713P-Q1还在设备通电和启用期间提供冲涌电流控制。TLV713P-Q1将输入电流限制在规定的电流限制范围内,以避免从输入电源流出的大电流。这种功能在电池驱动的设备中尤为重要。
TLV713P-Q1系列可采用标准的SOT23 5针DBV封装,并提供一个主动下拉电路来快速放电输出负载。TLV713P-Q1适用于具有AEC-Q100第1级资格认证的汽车应用程序。


④TCAN1042V-Q1
该TCAN1042系列是符合ISO11898-2(2016)高速CAN物理层标准的CAN收发器系列。所有的设备都被设计用于CAN FD网络高达2 Mbps。包含G后缀的设备被设计为高达5 Mbps的数据速率,带有V后缀的版本有一个二次电源输入,用于输入O电平移动输入引脚阈值和RXD输出电平。
该系列具有具有远程唤醒请求功能的低功率待机模式。此外,所有设备都包括保护功能,以增强设备和网络的鲁棒性,包括TXD主导状态超时、热关闭、欠压锁定、短路电流限制和关键浮动输入端子的内部引拉向上。


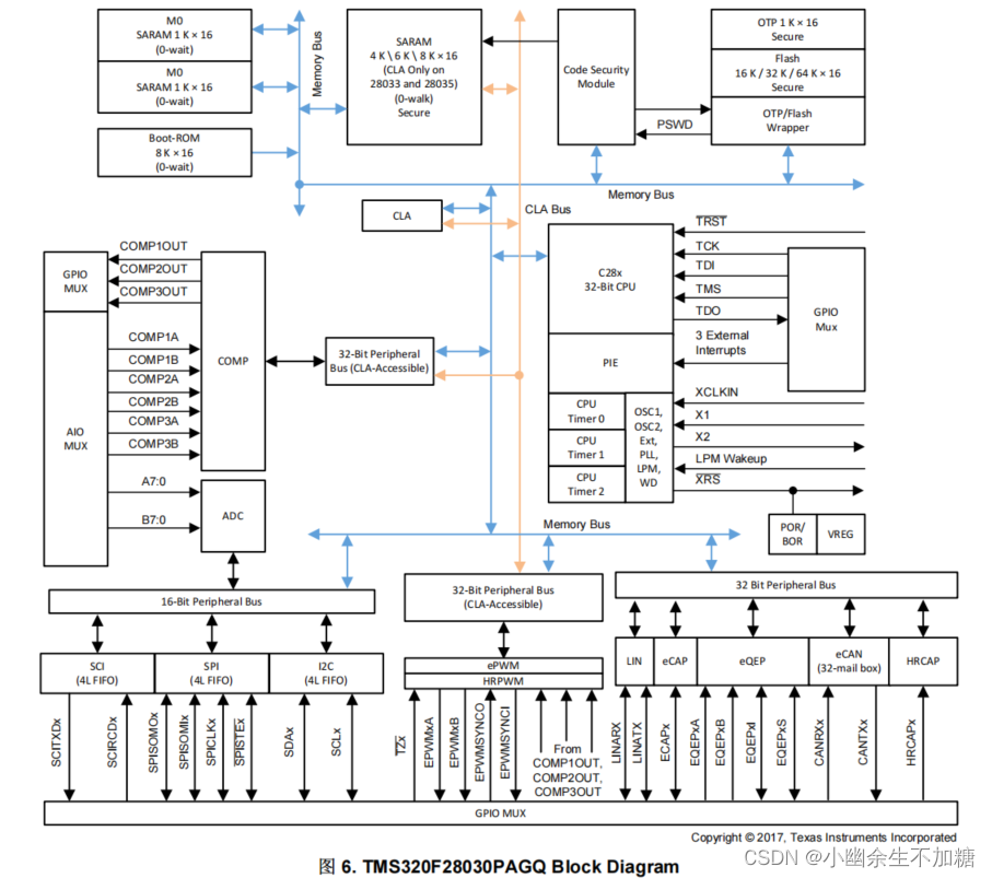
⑤TMS320F28030PAGQ
F2803x Piccolo系列mcu提供了C28x核心和控制律加速器(CLA)的功率,以及在低针计数设备中高度集成的控制外围设备。这个系列与以前基于C28x的代码兼容,还提供了高级的模拟集成。一个内部的电压调压器允许单轨运行。对HRPWM进行了增强,以允许双边控制(调频)。已经添加了具有内部10位引用的模拟比较器,并且可以直接路由来控制PWM输出。ADC从0转换为3.3V固定,全范围,支持VREFHI和VREFLO参考。

⑥SN74LVC2G06-Q1
SN74LVC2G06-Q1是一个双逆变器缓冲器和驱动器集成电路,设计用于1.65-V到5.5-V的VCC操作。SN74LVC2G06-Q1设备有两个开漏输出,可以连接到其他开漏输出,以实现有源低有线或有源高有线和功能。最大汇聚电流为每个输出32 mA。该设备完全指定用于使用Ioff电路的部分断电应用。当设备断电,但输出(或输出)上保持电压时,断开关电路禁用输出,防止通过设备的有害回流电流。


⑦SN74AHCT1G04-Q1
SN74AHCT1G04-Q1是一个汽车合格的单逆变器门,具有TTL输入阈值,是在一个5针SC70封装。


⑧CSD17313Q2
CSD17313Q2是一款30-V,24-mΩ,2毫米×2毫米2mmSON包NexFET功率MOSFET设备,旨在减少功率转换应用的损失。2毫米×2毫米SON提供了卓越的热性能的尺寸。


(3)理论设计
BCMs、网关模块、侧镜更换模块和头部单元模块均由多个子电路组成。该设计涵盖了这些应用程序的电池输入、电压调节和CAN部分。以下小节将介绍了此设计的组件选择和设备配置决策。
①电源保护和滤波
如图所示了原理图中具有反向电池输入保护二极管、输入电容器和pi滤波器组件的部分。

二极管D5是一个40-V肖特基二极管,用于防止反向电池条件。由于LM5022-Q1和TPS57140-Q1的宽输入容压输入,结合反向阻塞肖特基二极管,该设计可以在VBATT输入电源上处理-40V到40 V。
电容器C16和C17用于输入瞬态滤波,而pi滤波器(由C18、L4和C15组成)可用于实现用于传导发射的双极低通滤波器。输入电容器C16和C17、pi滤波器组件C18和C15不被填充,并在电感器上放置一个0-Ω的分流器以评估该设计。
PCB部分

②宽输入电压升压控制器
如图所示LM5022-Q1原理图:

UVLO引脚:LM5022-Q1的UVLO引脚能够处理7V以上的电压,并具有典型的关闭阈值1.25 V。由于本设计要求的宽输入电压操作(3 V至40 V),实现了具有附加齐纳二极管钳的分压器。R28和R32产生了一个0.42:1的输入电压比,这意味着UVLO引脚将检测到名义上42%的VBATT_Filt电压。此外,当VBATT_Filt电压上升到13 V以上时,齐纳二极管(D7)开始夹住该电压,以保护引脚。
FB引脚:使用电阻R33和R41来设置LM5022-Q1的输出电压。内部误差放大器的典型阈值电压为1.25 V。这些电阻器产生的标称输出电压为8.07 V。
SS引脚:SS引脚上的外部电容器设置功率转换器逐渐开启的时间。此引脚可用于减少输入轨上的电涌。该引脚具有一个标称的10-µA电流源,并具有一个550-mV的输入阈值。使用一个10 nF的电容器值来创建一个550-µs的软启动时间。
输出二极管:采用低正向压降肖特基二极管来限制升压调节器输出二极管的功率损耗。D6是一个DO-220AA封装中的一个50-V、2-A二极管。
输入电容器、输出电容器、补偿网络、FET选择和电感器的选择采用LM5022-Q1 。
PCB部分:

最后,LM5022-Q1能够处理启动后低至3V的输入电压。由于输入电池连接上的肖特基二极管串联下降高达0.5 V,用于电池反向保护,该模块能够在启动后处理低至3.5 V的输入电压,并保持调节。
③宽输入电压降压转换器

PCB部分:

④低输入,电压固定,3.3-V LDO

虽然TLV713P-Q1系列的LDOs可以在没有输入和输出电容器的情况下使用,但为了获得最佳的瞬态结果,在输入节点(C13)上放置1-µF电容器,根据每个数据表建议在输出节点(C14)上放置0.1-µF电容器。

⑤CAN 物理层
该原理图与CAN物理层相结合,其中包括CAN收发器、滤波共模扼流器(CMC)、滤波电容器、静电放电(ESD)保护IC和终端组件。

CMC L7:在CANH和CANL总线上添加了一个标准的CMC足迹,因此设计可以很容易地用各种CMC进行评估。然而,该设计在没有CMC的情况下进行了评估,而是用两个系列的0-Ω电阻器代替了扼流圈。
ESD IC U9:一个通用的双通道双向ESD保护IC作为CANH和CANL总线的附加保护。
终端组件R50、R51和C41:这些组件用于终止分裂终端的CAN总线。该技术使用两个电阻,它们等于电缆特征阻抗的一半(通常为120 Ω),在两个电阻之间放置一个电容器。这就在CANH总线和CANL总线上创建了两个低通滤波器,用于滤波共模噪声。如果需要标准终端,电容C41可以保持开放。
滤波电容器C40和C44:这些电容器放置在从CANH到GND和CANL到GND,以帮助过滤进入或离开模块的高频瞬态和噪声。

⑥外部电源和网络连接
外部连接器,其中包括VBATT输入、GND连接和CANH和CANL连接。D-sub 9连接器所使用的引形是CAN在自动化(CiA)文档DIN 41652中推荐的引形。图20显示了填充在电路板上的母D-sub 9连接器和用于创建线束的公连接器的针形图。


⑦电子控制的虚拟负载
用于帮助进一步评估5伏降压调节器的虚拟负载电阻和外部电路。虚拟负载使用了3-W,10-Ω电阻,当降压调节器的输出为500mA时,会产生额外的负载电流。这被用于评估TPS57140-Q1降压转换器的负载阶跃瞬态响应。

J3:双针,可用于手动启用和禁用虚拟负载。
Q1:此外,虚拟负载可以通过TMS320F28030Q设备的GPIO24(引脚64)进行电子控制。GPIO24和Q1的栅极连接,以启用和禁用负载。Q1是一个30-V,n通道,NexFET™功率MOSFET。
R52:电阻R52放置在Q1的栅极和源极之间,确保当C2000的GPIO24处于高阻抗状态时,栅极电压被拉得较低。

⑧状态灯
为了在电磁合规(EMC)测试期间评估和监测,设计中增加了四个状态led。图24显示了示意图中的状态LED部分。

为了确保状态灯有适当的驱动电流,两个SN74LVC2G06-Q1汽车双逆变器和驱动电路用于驱动四个状态led。此外,每个LED的3.3-V电源都配备了一个单极开关,可以打开以禁用LED。
所有LED系列电阻的尺寸均为标称10 mA的LED电流。表2显示了每个LED被编程来指示的状态。

PCB的状态LED部分。每个开关的关闭位置在右侧,每个开关的打开位置在左侧。

⑨输入功率滤波
TMS320F28030PAGQ设备的电源连接电路。

电源解耦电容器:建议在每个VDDIO、VDDA和VDD输入端上放置一个专用2.2的µF电容器。
铁氧体珠:此外,建议在VDDIO电源输入针和VDDA电源输入针上放置一系列铁氧体进行额外过滤。
⑩模式选择和编程选择
可选的外部晶体、模式选择输入电路、复位控制,以及原理图的JTAG编程接口部分。

可选的外部晶体:TMS320F28030有一个内部晶体和选择运行一个外部晶体。一个可选的20mhz晶体被填充,但内部晶体被用于评估。
模式选择电路:其中5个通用输入输出(GPIOs)用于模式选择和引导模式控制:
GPIO11:启动时引脚拉高,模块配置为主节点;启动时引脚拉低,模块配置为从节点。
GPIO5:启动时的状态决定了CAN消息的数据字段。如果引脚低,则数据字段将为0x55555555,如果引脚低,则数据字段将为0x00000000。
GPIO10和GPIO4:启动时这两个大头针的状态决定了CAN接口配置的数据速率:低,低125 KBPS低,高250 KBPS高,低500 KBPS高,高1000 KBPS。
GPIO37和GPIO34:这两个引脚在启动时的状态告诉引导加载程序软件在开机时使用什么启动模式:低,低:并行IO模式低:高: SCI模式高:等待模式高,高:获取模式。
GetMode的默认行为是引导到flash,因此,一旦模块在组装后被编程(进入flash),这就是模块被配置为以进行评估的模式。有关引导模式的更多信息,请参阅TMS320F2803x短笛微控制器。
XRS重位输入引脚:与XRS输入引脚有两个连接。第一个是用于重新启动单片机的手动按钮,第二个是LM53601-Q1设备的通漏、复位输出,如图12所示。LM53601-Q1将输出保持在低位,直到3.3v电源处于调节状态。这确保了单片机只有在产生了稳定的供应后才会开始启动过程。
JTAG编程接口:该设备使用7×2100V2 JTAG报头,使用XDS100V2 JTAG仿真器编程。有关JTAG编程的更多信息,请参阅TMS320F2803x短笛微控制器。


浙公网安备 33010602011771号