第二章习题
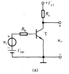
2.1(改错题)
![]() |
![]() |
![]() |
![]() |
| 将-VCC改成+VCC | 在+VCC与基极之间加上Rb | 将VBB反接,且在输入端串联一个电阻或者一个电容 | 在VBB支路加Rb,电容极性左边为“+”,在-VCC与集电极之间加上Rc |
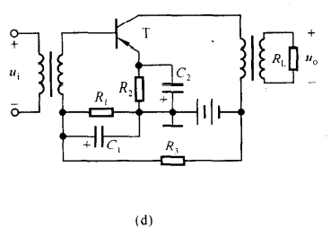
2.2(直流通路与交流通路)
直流通路:电容开路,变压器线圈短路
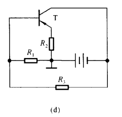
![]() |
![]() |
| 变压器的直流通路 |
2.12 (三极管的Q点,负载对放大倍数,输入输出电阻的影响)
Q点
{
IBQ=(VCC-UBEQ)/【Rb+(1+β)Re】
IEQ=(1+β)IBQ
UCEQ=VCC-IEQRe
}
输入电阻和电压放大倍数
{
Ri=Rb//【rbe+(1+β)Re】
Au`=【(1+β)Re】/【rbe+(1+β)Re】
}
输出电阻
Ro=Re//【(Rs//Rb+rbe)/(1+β)】 独立源置0,从输出端口等效的
2.13 (三极管的Q点;放大倍数RiRo)

Q点
{
IBQ,ICQ,UCEQ
①IBQ=(VCC-UBEQ)/[Rb+(1+β)Re] 先列KVL,输入输出回路共用VCC
②ICQ=βIBQ
③UCEQ≈VCC-IEQ(Rc+Re) 电势降落中用IEQ近似代替Rc上电流ICQ
}
放大倍数RiRo
{
书P100,公式2.3.9
①Ri=Rb//rbe
②Au·=[-β(Rc//RL)]/rbe
③Ro=Rc
}
2.15 (图解法求结型管的Q点与放大倍数RiRo)
Q点
{
①IDQ 转移特性与uGS=-iD*Rs的交点纵坐标
②UGSQ ```横坐标
③UDSQ 输出特性中曲线UGSQ与uDS=VDD-iD(RD+RS)的交点
}
动态分析
结型管的交流等效电路

放大倍数RiRo
{
Au·=-gmRd gm=[-2/UGS(off)]*√(IDSS*IDQ)
Ri=Rg
Ro=Rd
}
2.16 (MOS管的Q点与放大倍数)
Q点
{
MOS管gds(从左到右,从上到下,右边中间是衬底B)
①UGSQ VGG
②IDQ 转移特性
③UDSQ VDD-IDQRd
}
放大倍数
{
增强型分子=2,耗尽型分子=-2
Au·=-gmRd
}






浙公网安备 33010602011771号