电学基础笔记1
电子元器件
定义:指具有某种独立功能并且在电子电路中使用的、最基本的零件,其本身常由若干零件构成,可在同类产品中通同。例如:电阻器、电容器、电感器、晶体管等。
电子元器件的分类
元件与器件
电子元件:利用自身固有功能作为电子电路基本参数的零部件,例如:电阻器、电容器、电感器、变压器等。电子元件基本是具有线性特性的无源元件。
电子器件:指在真空、气体或固体中利用和控制运动规律而制成的零部件,主要包括电子真空器件(电子管、显像管)和固体器件(晶体管、集成电路)。基本上具有非线性特性,大多数是有源器件。
线性和非线性
线性元件:自变量与应变量(通常为电压与电流)之间呈现线性关系(即一次函数关系)的一类电子元件。电阻器、电容器、电感器等都是典型的线性元件。如图1-2所示为电阻器的伏安特性曲线,改变电阻值的大小只会影响这条直线的斜率,而不会改变其直线性质。

非线性元器件: 其自变量与应变量(通常为电压与电流)之间呈现非线性关系的一类电子元器件。二极管、三极管等都是典型的非线性器件。如图1-3所示为晶体二极管的伏安特性曲线,其电压与电流的关系为一条曲线(非线性关系)。
无源与有源
无源元器件:无需工作电源即可正常工作。在电路中只需要输入信号,不需要外加电源就能正常工作。例如:电阻器、电容器、电感器、变压器、扬声器等。
有源元器件:必须接有工作电源才能正常工作。在电路中除了输入信号外,还必须要有外加工作电源,例如:晶体管、电子管、集成电路、显像管等。�
电路基础知识
电压
端电压和点电压
定义:在电路中,任意两点之间的电位差称为这两点的电压,⽤符号"U"表示,国际单位是伏特(V)。
单位换算:1伏特等于对每1库仑的电荷做了1焦⽿的功。⾼电压⽤千伏( kV )表示,低电压⽤毫伏( mV )表示,进率为1000。
端电压:指电路中两点之间的电压差,如以电池负极为参考点(电位为0),那么电池正极的电压为15V;如果以电池正极为参考点,那么电池负极的电压为-15V。

点电压:指电路中某个点与参考点之间的电压差,参考点通常为"接地"点(0电位)。
参考点特性:
接地点的电位通常被视为0,但实际电位可能不为0
参考点的选择会影响点电压的正负值
双电源系统:当电路同时存在正负电压时(如+12V和-12V),称为双电源系统。

直流电
定义:英⽂简写DC,符号为"=",指电压⽅向不随时间改变的电流。

特性:电压⽅向恒定不变;⼤多数电⼦电路使⽤直流电源供电;
示例:电池输出的电压(如12V)是典型的直流电
与交流电对⽐:

交流电(AC)符号为"~",电压⽅向随时间周期性变化
交流电变化频率单位为Hz(赫兹),我国家⽤市电频率为50Hz
交流电不仅⽅向变化,电压⼤⼩也会变化
交流电
交流电的概念

定义:交流电(AC)是正负交替变化的电能,电压⽅向和⼤⼩随时间周期性变化
符号表示:⽤波浪线"~"表示,与直流电(DC)的"⼀横线加三个点"符号相区别
实际应⽤:⼤多数电⼦设备内部使⽤直流电,通过充电器将交流市电转换为直流电供电,如笔记本电脑的电源适配器
交流电与直流电的区别
⽅向特性:直流电⽅向恒定不变(如恒定24V),交流电⽅向周期性变化(如从+12V到-12V交替)
波形表现:直流电在示波器上显示为⽔平直线,交流电显示为正弦波形
供电⽅式:直流电多⽤于电⼦电路供电,交流电多⽤于电⼒传输和家⽤电器
交流电的参数
变化特征:同时具有⽅向变化和⼤⼩变化的双重特性
数学描述:符合正弦函数规律,数学表达式为 y= Asin(ωt + φ)
测量⼯具:需要使⽤示波器观测其波形变化规律
频率与赫兹
定义:频率指交流电正负极每秒钟变化的次数,单位赫兹(Hz)
计算示例:1秒内完成2次正负交替,频率为2Hz
中国标准:家⽤市电频率为50Hz,即每秒变化50次,每次变化耗时0.02秒
国际对⽐:在电学领域中50Hz属于低频,⾼频应⽤可达kHz甚⾄MHz级别
峰值与峰峰值

峰值(Vp):波形最⾼点与零线之间的电压差,即最⼤值
峰峰值(Vpp):正峰值到负峰值的总电压差,当波形对称时Vpp=2×Vp
测量意义:描述交流电瞬时最⾼电压⽔平,⽤于元器件耐压值选择
有效值

物理定义:与直流电通过相同电阻时产⽣同等热效应的交流电压值
形象理解:将波形的"凸起"部分填补"凹陷"后得到的平均⾼度
实际意义:家⽤220V指的就是有效值,反映交流电的实际做功能⼒
计算实例:家⽤220V有效值对应的峰值电压为220×1.414≈311V
适⽤范围:仅适⽤于标准正弦波,其他波形需另⾏计算
世界各国电压标准
低压类型(100-130V):⽇本(100V)、美国(120V)等30国,注重⽤电安全
⾼压类型(220-240V):中国(实际供电230V)、英国(230V)等120国,注重传输效率
特殊案例:⾹港使⽤200V,与内地电器可兼容使⽤
供电策略:中国实际供电⽐标称220V⾼约5-10%,以补偿线路损耗
电流
本质定义:电荷在导体中的定向流动称为电流,⽤符号 I 表示。产生电流的先决条件是有电压的存在,并且电路要构成回路,没有电压,就好像没有落差的水,形成不了电流。同样重要的是,电路没有构成回路,就好像水渠不通,也形成不了电流。

强度定义:单位时间内通过导线截⾯的电荷量,计算公式为 I = Q / t ,其中1安培=1库仑/秒。
单位体系:
标准单位:安培(A)
常⽤⼩单位:毫安(mA)、微安(μA)、纳安(nA),相邻单位间为1000进制
⼤单位千安(kA)仅⽤于电⼒系统
量级参考:普通⼩区⽤电约千安级别,⽇常电路多⽤毫安级。
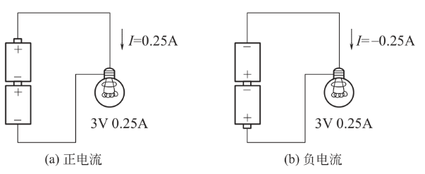
有时我们为了分析电路需要,可以预先设定一个电流的方向。实际电流的方向与预设方向相同的称为正电流,实际电流的方向与预设方向相反的称为负电流。

电阻
物理意义:对电流的阻碍作⽤,类⽐⽔管中的障碍物阻碍⽔流。
表示符号:⽤ R 表示,单位欧姆(Ω)。
单位体系:千欧(kΩ)、兆欧(MΩ)、毫欧(mΩ),注意⼤⼩写区分(兆欧⼤写M,毫欧⼩写m)
进制关系:相邻单位间为1000进制。
欧姆定律

核⼼关系:描述电压 U 、电流 I 、电阻 R 三者关系:
U= R × I
I = U/ R
R = U/ I
应⽤要点:
已知任意两个量可求第三个量
计算时单位必须统⼀为标准单位
重要性:电⼦学最基础且最常⽤的定律,实际应⽤⼴泛。
电阻串联计算
电阻串联后总阻值增大,电容串联后总容量减小

连接特征:⾸尾相连的"葫芦串"式连接。
总阻公式: R 总 = R 1 + R 2 + ⋯ + R n。
实例分析:两个1kΩ电阻串联后总阻值为2kΩ。
电流特性:串联电路中各点电流相等。
电阻并联计算
电阻并联后总阻值减小,电容并联后总容量增大


连接特征:头头相连、尾尾相连的"双通道"式连接
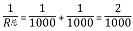
总阻公式:
计算案例:

两个1kΩ并联:
得 R 总 = 500Ω
分流原理:

总电流
各⽀路电流 I 1 = I2 = 12mA (阻值相等时均分)
核⼼规律:并联后总阻值⼩于任⼀分⽀电阻,且并联⽀路越多总阻值越⼩。
注:所有公式中的变量符号均保持与课程原⽂⼀致,关键计算案例完整保留实际数值和单位换算过程。电路示意图准确对应讲解中的实例配置。
功率
定义:功率(Power)是能量转换或使⽤的速率,⽤单位时间内能量⼤⼩表示,即做功的速率。
国际单位:⽡特(W),⽤符号P表示。
核⼼理解:功率反映的是单位时间内做功的快慢程度,1000⽡表示每秒转换1000焦⽿能量。

功率的计算公式
基本公式: P= U× I (电压×电流)
衍⽣公式:
P= I 2 R (电流平⽅×电阻)
P= U 2 / R (电压平⽅÷电阻)
公式关系:所有公式均由欧姆定律推导得出,适⽤于不同已知条件下的功率计算。
例题1: 家⽤空调功率与耗电计算
题⽬场景:
空调功率1000W
⼯作电压220V
⼯作时间5⼩时
电费1元/度
计算过程:
电流计算: I = P/ U= 1000 / 220 ≈ 4.55A
耗电量:1kW × 5h = 5kWh(5度电)
电费:5度 × 1元/度 = 5元
单位换算:
1度电 = 1千⽡时(kWh)
1000⽡设备⼯作1⼩时耗电1度

浙公网安备 33010602011771号