15SEG*4COM 超低功耗LCD液晶显示驱动IC-VKL060 SSOP24,超低工作电流 约7.5微安(μA),适用水电表/传感器/工控仪表/各类测试仪等
产品品牌:永嘉微电/VINKA
产品型号:VKL060
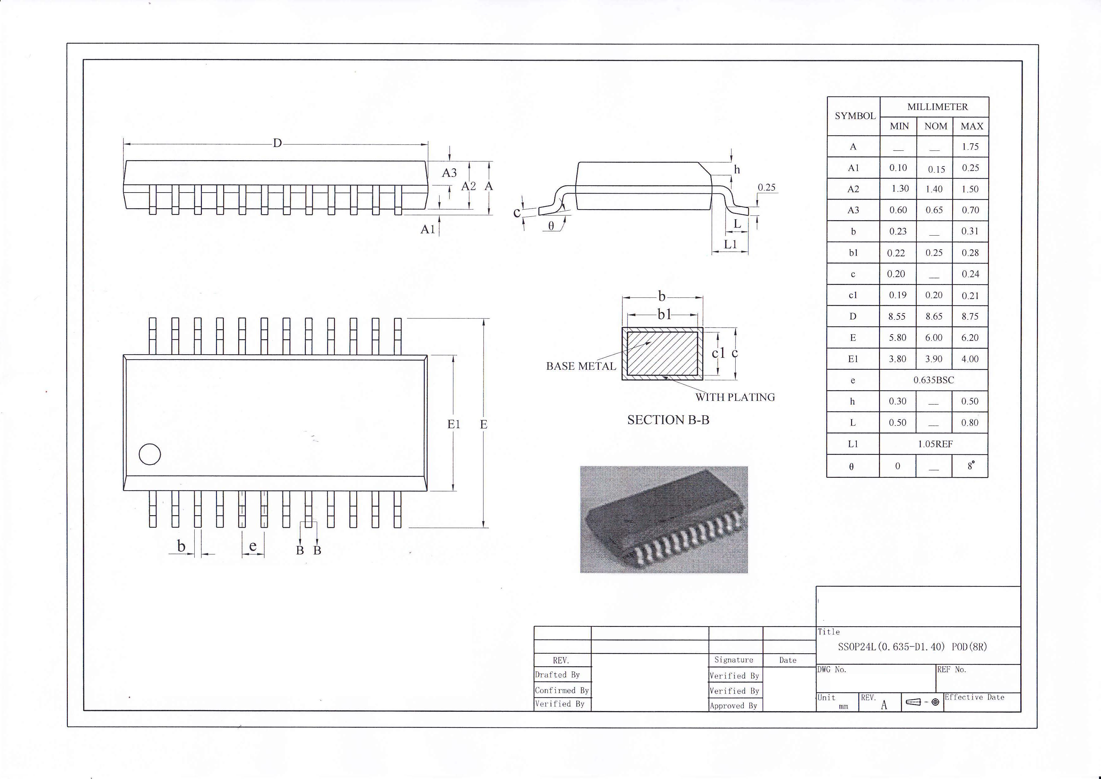
封装形式:SSOP24
概述:
VKL060 SSOP24是一个点阵式存储映射的LCD驱动器,可支持最大60点(15SEGx4COM)的 LCD屏。单片机可通过I2C接口配置显示参数和读写显示数据,可配置4种功耗模式,也可通
过关显示和关振荡器进入省电模式。其高抗干扰,低功耗的特性适用于水电气表以及工控仪表类产品。
特点:
• 工作电压 2.5-5.5V
• 内置32 kHz RC振荡器
• 偏置电压(BIAS)可配置为1/2、1/3
• COM周期(DUTY)为1/4
• 内置显示RAM为15x4位
• 帧频80Hz
• 省电模式(通过关显示和关振荡器进入)
• 可配置4种功耗模式
• I2C通信接口
• 显示模式15x4
• 3种显示整体闪烁频率
• 软件配置LCD显示参数
• 读写显示数据地址自动加1
• VLCD脚提供LCD驱动电压(≤(VDD-VLCD))
• 内置上电复位电路(POR)-TEST2接低电平使能
• 低功耗、高抗干扰
• 封装:SSOP24L(150mil) (8.65mm x 3.9mm PP=0.635mm)




浙公网安备 33010602011771号