CMOS LCVCO 热相位噪声定性分析
Ref: Hegazi. The Designer's Guide to High-Purity Oscillators.
只讨论热噪声引起的相位噪声
1. 预备知识
1.1 加性热噪声
结论:载波上叠加热噪声,其结果为载波被AM和PM调制,且二者大小相等。
频率为 \(\omega_o\) 的载波,叠加频率为 \(\omega_o+\omega_n\) 的噪声:
进一步可以写为
前三项为AM信号的形式,后两项加上载波为PM信号的形式。
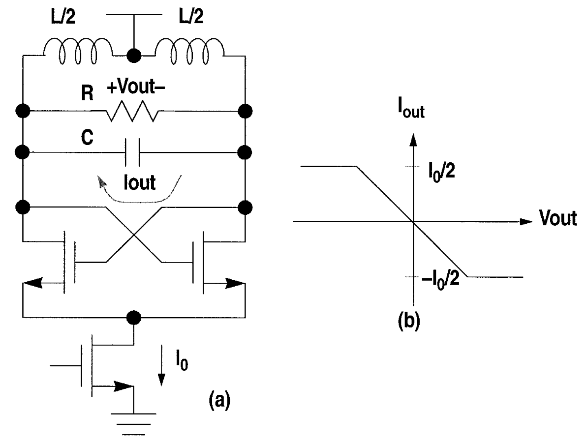
1.2 VCO中的交叉耦合对和谐振腔
交叉耦合对是一个非线性电路,具有如下I-V特性。谐振腔是一个高Q值BPF。

交叉耦合对的栅极差分电压 \(V_{out}\) 通过其本身的跨导(非线性的,类似 limit amplifier)作用,转化为差分电流 \(I_{out}\) ,再经谐振腔 (BPF) 选出基频电流。如果 \(V_{out}\) 是 PM 信号,可以证明 BPF 输出的电流也是相同载波-边带比的 PM 信号,如下图。如果 \(V_{out}\) 是 AM 信号,则BPF 输出的电流没有 AM 信号。

2. 谐振腔热噪声
结论:只有振荡频率附近的热噪声是重要的,其他频率的热噪声会被谐振腔滤掉。
损耗R上的振荡频率附近 (\(\omega_o + \omega_m\)) 的热噪声叠加在 \(V_{out}\) 上,使 \(V_{out}\) 同时有 AM 和 PM。再经过非线性跨导和谐振腔的选频,产生只有 PM 的电流 \(I_{out}\),从而注入谐振腔,产生相位噪声。可以计算谐振腔贡献的相位噪声大小为
3. 交叉耦合管热噪声
结论:交叉耦合管只在 active region (两个管子同时导通时) 贡献相位噪声。交叉耦合管在奇次谐波处的热噪声是重要的。
交叉耦合对的跨导随时间的函数 \(G_m(t)\) 如下图所示(假设 \(V_{out}\) 是正弦波),注意 \(G_m(t)\) 的频率为振荡频率的二倍频。其在 \(V_{out}\) 过零点附近为 \(g_{inst}\) ,其他时间为0,因为电流已经饱和,其一边的电流大小为尾电流大小,另一边电流为0。

交叉耦合管输出的电流噪声为
其中 \(v_n\) 为交叉耦合管等效在栅极处的电压噪声。可以更直观地从频域观察 \(G_m\) 频谱与 \(v_n\) 频谱的卷积:

可以看到,由于 \(G_m\) 频谱都是在二次谐波处,因此交叉耦合管的奇次谐波处的噪声会与之混频,成为振荡频率附近的电流噪声,注入谐振腔,成为相位噪声。可以计算出交叉耦合管贡献的相位噪声大小
4. 尾电流热噪声
结论:尾电流在低频和二次谐波的热噪声是重要的
交叉耦合管可以看做2个交替切换的开关,或者单平衡混频器,将尾电流噪声变频并注入谐振腔。这可以看做一个频率为 \(\omega_0\) 的方波(1,3,5……次谐波)和尾电流相乘,然后注入谐振腔。因此,尾电流的偶次谐波处的噪声电流会被混频到基频附近。由于方波的5次以上谐波幅值很小,所以尾电流的低频和二次谐波附近的噪声对相噪的贡献较大。

可以计算出尾电流贡献的相位噪声大小
浙公网安备 33010602011771号