【自学嵌入式:计算机组成原理】2. 学习步骤
2. 学习步骤
一、什么是计算机
计算机是一种能够对输入信息进行处理、存储与输出的计算设备,其核心功能围绕数据运算与逻辑控制展开。
1946年2月14日,世界上第一台数字计算机ENIAC(电子数值积分计算机)诞生于美国宾夕法尼亚大学。作为现代计算机的雏形,ENIAC通过硬件电路直接执行数值计算,标志着人类社会从“机械计算时代”步入“电子信息化时代”。
二、CPU-中央处理器

(一)核心地位与作用
CPU(Central Processing Unit,中央处理器)是计算机系统的核心控制部件,类比人类“大脑”的角色。它负责:
- 从内存中读取指令并解析(译码);
- 调度运算单元执行数据处理(如算术运算、逻辑判断);
- 协调内存、外设(如键盘、显示器)的协同工作,保障系统指令流的有序执行。
(二)发展历程:工艺演进与原理传承
近70年里,CPU的物理形态与制造工艺发生了革命性变化,但底层工作原理(指令执行流程、运算逻辑)始终保持核心一致性:
| 阶段 | 典型代表(如ENIAC的运算单元) | 现代CPU(如苹果M2处理器) | 
|---|---|---|
| 物理形态 | 依赖电子管、继电器与大量布线,体积庞大 | 基于超大规模集成电路,集成数十亿晶体管于微小芯片 | 
| 核心能力 | 仅支持基础数值计算(如加减乘除) | 支持复杂指令集、并行计算与人工智能加速 | 
| 底层原理 | 指令读取→译码→执行的基本流程 | 延续“存储程序”与“指令周期”的冯·诺依曼体系 | 
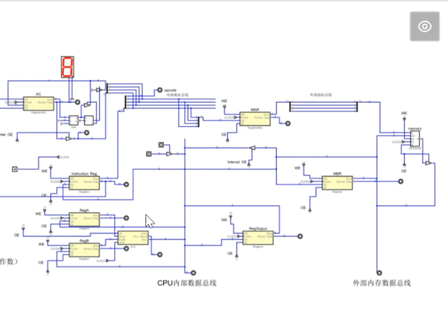
三、自己动手设计计算机

(一)学习逻辑:从CPU设计理解核心原理
计算机系统的复杂性源于“硬件-软件”的深度协同。通过设计并实现简易CPU,可直观掌握以下核心逻辑:
- 硬件层面:电路如何通过二进制逻辑(0/1)实现运算与控制;
- 软件层面:指令集如何定义“硬件能执行的操作”,汇编器如何将“人类可读指令”转换为“机器可执行代码”。
(二)关键概念:图灵完备
课程目标是构建一个图灵完备的8位CPU系统。其定义为:
若一个计算系统能模拟“图灵机”的全部计算能力(即支持无限存储、条件分支、循环执行等逻辑),则称其为“图灵完备”。简单来说,图灵完备的系统可通过编程实现任何可计算的算法(如数学运算、数据排序、逻辑推理等)。
本课程的8位CPU满足以下图灵完备条件:
- 支持条件判断指令(如分支跳转);
- 支持循环执行逻辑(通过指令重复实现);
- 具备数据存储与读写能力(通过内存与寄存器实现)。
(三)实践路径
- 
虚拟仿真(低门槛入门): 
 使用电路仿真软件(如Logisim、Digital),通过“拖拽逻辑门、连线、编写汇编代码”模拟CPU与外设的协同工作。无需实体硬件,即可验证:- 逻辑电路如何实现加法、减法等运算;
- 指令如何从“汇编代码”转换为“机器码”并执行。
 
- 
物理实现(高阶拓展): 
 若具备硬件条件,可通过以下方式落地设计:- 基于FPGA开发板(如Altera、Xilinx平台),将电路设计转化为硬件配置文件,直接在芯片上运行;
- 使用分立逻辑器件(如74系列芯片),通过焊接、布线搭建实体电路,完整复现“从原理图到物理计算机”的过程。
 
通过“理论拆解→虚拟验证→物理实现”的分层实践,学习者可建立从“二进制电路”到“完整计算机系统”的完整认知,理解硬件设计与软件编程的底层关联。
 
                     
                    
                 
                    
                 
                
            
         
         浙公网安备 33010602011771号
浙公网安备 33010602011771号