LinkedBlockingDeque
LinkedBlockingDeque是双向链表实现的双向并发阻塞队列。该阻塞队列同时支持FIFO和FILO两种操作方式,即可以从队列的头和尾同时操作(插入/删除);该阻塞队列是支持线程安全。
此外,LinkedBlockingDeque还是可选容量的(防止过度膨胀),即可以指定队列的容量。如果不指定,默认容量大小等于Integer.MAX_VALUE。
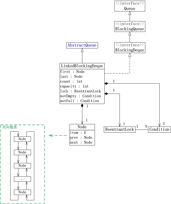
LinkedBlockingDeque的数据结构,如下图所示:
      
 说明:
1. LinkedBlockingDeque继承于AbstractQueue,本质上是一个支持FIFO和FILO的双向的队列。
2. LinkedBlockingDeque实现了BlockingDeque接口,它支持多线程并发。当多线程竞争同一个资源时,某线程获取到该资源之后,其它线程需要阻塞等待。
3. LinkedBlockingDeque是通过双向链表实现的。
      first是双向链表的表头。
      last是双向链表的表尾。
      count是LinkedBlockingDeque的实际大小,即双向链表中当前节点个数。
      capacity是LinkedBlockingDeque的容量,它是在创建LinkedBlockingDeque时指定的。
      lock是控制对LinkedBlockingDeque的互斥锁,当多个线程竞争同时访问LinkedBlockingDeque时,某线程获取到了互斥锁lock,其它线程则需要阻塞等待,直到该线程释放lock,其它线程才有机会获取lock从而获取cpu执行权。
      notEmpty和notFull分别是“非空条件”和“未满条件”。通过它们能够更加细腻进行并发控制。
-- 若某线程(线程A)要取出数据时,队列正好为空,则该线程会执行notEmpty.await()进行等待;当其它某个线程(线程B)向队列中插入了数据之后,会调用notEmpty.signal()
唤醒“notEmpty上的等待线程”。此时,线程A会被唤醒从而得以继续运行。 此外,线程A在执行取操作前,会获取takeLock,在取操作执行完毕再释放takeLock。 -- 若某线程(线程H)要插入数据时,队列已满,则该线程会它执行notFull.await()进行等待;当其它某个线程(线程I)取出数据之后,会调用notFull.signal()唤醒“notFull
上的等待线程”。此时,线程H就会被唤醒从而得以继续运行。 此外,线程H在执行插入操作前,会获取putLock,在插入操作执行完毕才释放putLock。
LinkedBlockingDeque(int capacity)来进行说明
public LinkedBlockingDeque(int capacity) { if (capacity <= 0) throw new IllegalArgumentException(); this.capacity = capacity; }
说明:capacity是“链式阻塞队列”的容量。
LinkedBlockingDeque中相关的数据结果定义如下:
// “双向队列”的表头 transient Node<E> first; // “双向队列”的表尾 transient Node<E> last; // 节点数量 private transient int count; // 容量 private final int capacity; // 互斥锁 , 互斥锁对应的“非空条件notEmpty”, 互斥锁对应的“未满条件notFull” final ReentrantLock lock = new ReentrantLock(); private final Condition notEmpty = lock.newCondition(); private final Condition notFull = lock.newCondition();
双向链表的节点Node的定义如下:
static final class Node<E> { E item; // 数据 Node<E> prev; // 前一节点 Node<E> next; // 后一节点 Node(E x) { item = x; } }
下面以offer(E e)为例,对LinkedBlockingDeque的添加方法进行说明。
public boolean offer(E e) { return offerLast(e); }
offer()实际上是调用offerLast()将元素添加到队列的末尾。
offerLast()的源码如下:
public boolean offerLast(E e) { if (e == null) throw new NullPointerException(); // 新建节点 Node<E> node = new Node<E>(e); final ReentrantLock lock = this.lock; // 获取锁 lock.lock(); try { // 将“新节点”添加到双向链表的末尾 return linkLast(node); } finally { // 释放锁 lock.unlock(); } }
说明:offerLast()的作用,是新建节点并将该节点插入到双向链表的末尾。它在插入节点前,会获取锁;操作完毕,再释放锁。
linkLast()的源码如下:
private boolean linkLast(Node<E> node) { // 如果“双向链表的节点数量” > “容量”,则返回false,表示插入失败。 if (count >= capacity) return false; // 将“node添加到链表末尾”,并设置node为新的尾节点 Node<E> l = last; node.prev = l; last = node; if (first == null) first = node; else l.next = node; // 将“节点数量”+1 ++count; // 插入节点之后,唤醒notEmpty上的等待线程。 notEmpty.signal(); return true; }
说明:linkLast()的作用,是将节点插入到双向队列的末尾;插入节点之后,唤醒notEmpty上的等待线程。
删除
下面以take()为例,对LinkedBlockingDeque的取出方法进行说明。
public E take() throws InterruptedException { return takeFirst(); }
take()实际上是调用takeFirst()队列的第一个元素。
takeFirst()的源码如下:
public E takeFirst() throws InterruptedException { final ReentrantLock lock = this.lock; // 获取锁 lock.lock(); try { E x; // 若“队列为空”,则一直等待。否则,通过unlinkFirst()删除第一个节点。 while ( (x = unlinkFirst()) == null) notEmpty.await(); return x; } finally { // 释放锁 lock.unlock(); } }
说明:takeFirst()的作用,是删除双向链表的第一个节点,并返回节点对应的值。它在插入节点前,会获取锁;操作完毕,再释放锁。
unlinkFirst()的源码如下:
private E unlinkFirst() { // assert lock.isHeldByCurrentThread(); Node<E> f = first; if (f == null) return null; // 删除并更新“第一个节点” Node<E> n = f.next; E item = f.item; f.item = null; f.next = f; // help GC first = n; if (n == null) last = null; else n.prev = null; // 将“节点数量”-1 --count; // 删除节点之后,唤醒notFull上的等待线程。 notFull.signal(); return item; }
说明:unlinkFirst()的作用,是将双向队列的第一个节点删除;删除节点之后,唤醒notFull上的等待线程。
遍历
下面对LinkedBlockingDeque的遍历方法进行说明。
public Iterator<E> iterator() {
    return new Itr();
}
iterator()实际上是返回一个Iter对象。
Itr类的定义如下:
private class Itr extends AbstractItr {
    // “双向队列”的表头
    Node<E> firstNode() { return first; }
    // 获取“节点n的下一个节点”
    Node<E> nextNode(Node<E> n) { return n.next; }
}
Itr继承于AbstractItr,而AbstractItr的定义如下:
private abstract class AbstractItr implements Iterator<E> { // next是下一次调用next()会返回的节点。 Node<E> next; // nextItem是next()返回节点对应的数据。 E nextItem; // 上一次next()返回的节点。 private Node<E> lastRet; // 返回第一个节点 abstract Node<E> firstNode(); // 返回下一个节点 abstract Node<E> nextNode(Node<E> n); AbstractItr() { final ReentrantLock lock = LinkedBlockingDeque.this.lock; // 获取“LinkedBlockingDeque的互斥锁” lock.lock(); try { // 获取“双向队列”的表头 next = firstNode(); // 获取表头对应的数据 nextItem = (next == null) ? null : next.item; } finally { // 释放“LinkedBlockingDeque的互斥锁” lock.unlock(); } } // 获取n的后继节点 private Node<E> succ(Node<E> n) { // Chains of deleted nodes ending in null or self-links // are possible if multiple interior nodes are removed. for (;;) { Node<E> s = nextNode(n); if (s == null) return null; else if (s.item != null) return s; else if (s == n) return firstNode(); else n = s; } } // 更新next和nextItem。 void advance() { final ReentrantLock lock = LinkedBlockingDeque.this.lock; lock.lock(); try { // assert next != null; next = succ(next); nextItem = (next == null) ? null : next.item; } finally { lock.unlock(); } } // 返回“下一个节点是否为null” public boolean hasNext() { return next != null; } // 返回下一个节点 public E next() { if (next == null) throw new NoSuchElementException(); lastRet = next; E x = nextItem; advance(); return x; } // 删除下一个节点 public void remove() { Node<E> n = lastRet; if (n == null) throw new IllegalStateException(); lastRet = null; final ReentrantLock lock = LinkedBlockingDeque.this.lock; lock.lock(); try { if (n.item != null) unlink(n); } finally { lock.unlock(); } } }
                    
                
                
            
        
浙公网安备 33010602011771号