实验一
博客班级 https://edu.cnblogs.com/campus/ahgc/AHPU-se-JSJ18
作业目标 了解软件开发文档的组织、标准及编写,了解Visio的使用
学号 3180704115
一、实验目的
1.了解软件开发文档的组织、标准及编写
2.了解常用工具的用途及掌握各种工具的安装
二.实验内容
1.了解GB8567-88,GB8567-2006的内容,掌握需求说明书、概要设计、详细说明书的主要内容
2.了解Visio的作用,安装Visio,按照实验指导使用Visio完成系统流程图、DFD图、业务流程图的绘制,掌握Visio的使用方法
3.了解Rational Rose,完成Rose(或starUML)的安装,了解Rose的主要界面及功能
三.实验步骤
1.了解GB8567-88,GB8567-2006的内容,重点阅读需求说明书、概要设计、详细说明书的主要内容,比较GB8567-88与
GB8567-2006在内容上有何不同
2.安装好Visio2003、rose2003(或者starUML)
3.利用Visio2003完成以下作业
四、作业
例一、某装配厂有一个存放零件的仓库,仓库中现有的各种零件的数量及每种零件的库存量临界值等数据记录在库存清单主文件中。当仓库中零件数量有变化时,应该及时修改库存清单主文件;如果哪种零件的库存量少于它的库存量临界值,则应该报告给采购部门以便订货,规定每天向采购部门送一次订货报告。该装配厂使用一台小型计算机处理更新库存清单主文件和产生订货报告的任务。零件库存量的每一次变化称为一个事务,由放在仓库中的CRT终端输入到计算机中;系统中的库存清单程序对事务进行处理,更新存储在磁盘上的库存清单主文件,并且把必要的订货信息写在磁带上。最后,每天由报告生成程序读一次磁带,并且打印出订货报告。下图所示的系统流程图描绘了上述系统的概貌。

例二、利用Visio绘制如下图所示的数据流图。

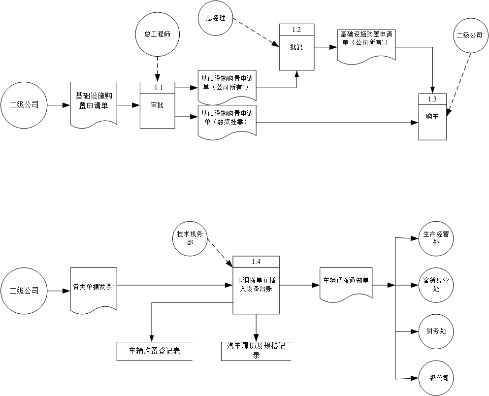
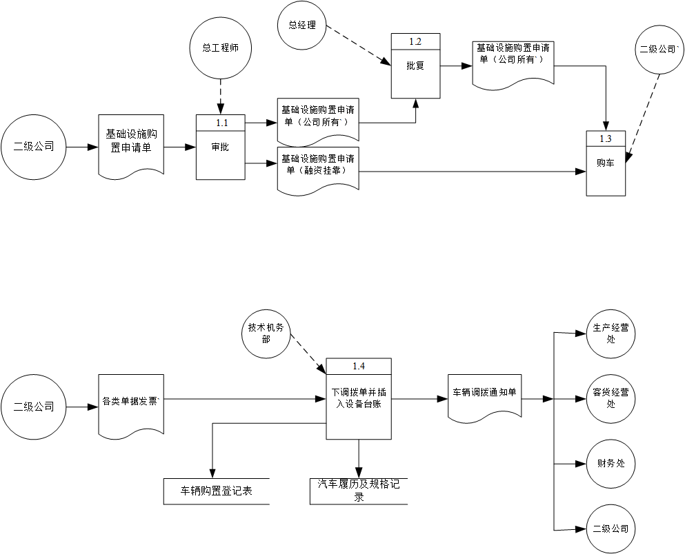
例三、车辆购置业务流程


例四、绘制机票预定系统的业务流程图
系统描述如下:为了方便旅客,某航空公司拟开发一个机票预定系统。旅行社把预定机票的旅客信息(姓名、性别、工作单位、身份证号码、旅行时间、旅行目的地等)输入该系统,系统为旅客安排航班,旅客在飞机起飞前一天凭取票通知和账单交款取票,系统核对无误即印出机票给顾客请用分层数据流图描绘本系统的功能。

五、实验思考题
1、使用Visio可以完成哪些类型图形的绘制?
流程图,网络图,结构图,组织图,思维导图,审计图,日程表等
2、比较GB8567-88与GB8567-2006有哪些内容不同?
a) GB8567-2006增加了文档编写过程。其内容参考了ISO/IECJTCl/SC7N21061999/04/15《软件工程——用户文档过程》。
b) GB8567-2006主要从软件开发与管理的角度,规定相应的文档及规范。其内容依据GB/T8566—2001《软件生存周期过程》。
c) 在编写GB8567-2006时,综合了在软件开发与管理中的经验及中软网络技术股份有限公司有关CMM中拟订的一些文档规范。
d) GB8567-2006与SJ20778—2000《软件开发与文档编制》很好地链接。
e) GB8567-2006在规定软件需求规格说明、软件测试文件、软件质量保证计划与软件配置管理计划等文档时,既依据相应的国标,又根据发展与实践经验作了相应的扩展。
f) GB8567-2006把SJ/T11291—2003《面向对象的软件系统建模规范第3部分:文档编制》中的文档编制规范作为本标准的规范性附录

浙公网安备 33010602011771号