第2次Blog作业
前言
题目集8相对于前面的题目集题目量较少,第1题点线面问题重构主要考察继承与多态,第2题雨刷程序功能扩展设计和第3题航空货运管理系统主要考察类的设计,而题目集9的大部分题目来源于题目集8的扩展,而全新的题目1魔方问题主要考察的也是类的设计,两次题目集除题目航空货运管理系统以外均给出类图参考,较简单,而题目航空货运管理系统无类图参考,需要自己独立思考,较难。
OPP8
设计与分析
类图设计与分析

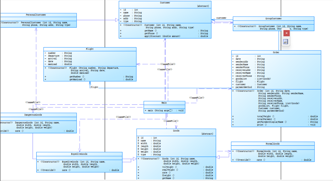
题目集8的航空货运管理系统根据题目要求设计了Customer类,Goods类,Flight类,Order类,Main类。
Customer类用于表示客户信息,包含客户的编号、姓名、电话和地址等属性,提供了获取客户姓名和电话的方法,封装了客户相关数据,便于管理和使用客户信息 ;Goods类代表货物信息,有货物编号、名称、长宽高和实际重量等属性。实现了计算体积重量、实际重量、计费费率、运费等核心业务逻辑。Flight类描述航班信息,包括航班号、出发地、目的地、日期和最大载重等属性。提供了属性的读写方法。Order类用于管理订单信息,包含订单编号、日期、发件人和收件人信息、货物列表以及关联航班等,实现了计算订单总重量、总支付金额以及打印订单详情的功能。Main类是程序入口,负责从控制台读取用户输入信息,创建Customer、Goods、Flight和Order对象,并根据订单重量和航班载重判断是否能处理订单,最后打印订单信息,实现了基本的输入输出流程,能将各个类串联起来完成业务操作。
代码静态分析

代码共339行,没有注释,是因为在PTA中完成作业追求效率,并且题目较简单,不需要注释标明就可以理解代码作用。
代码中部分方法存在一定逻辑复杂度。Goods类的rate方法有多个if - else if条件判断,随着业务规则的变化,可能需要继续添加条件分支,会进一步增加复杂度。这在一定程度上拉高了整体代码的平均复杂度。
踩坑心得
- 刚刚入手题目时一味的写,没有提前设计好类间关系。导致后续在类的职责出现混乱,进而必须重新设计,花费的时间还更多。
- 题目附件的rate未加载出来,导致计算错误
- 输出格式错误,用空格来输出导致结果错误。应该使用制表符。
改进建议
1.在编码前明确每个类的职责(如Goods类负责商品属性与计算逻辑,Order类负责订单管理,Main类负责输入输出),遵循单一职责原则,避免一个类承担过多功能(如将rate方法的业务逻辑拆分到独立的策略类中)。
2.Goods类的rate方法包含大量if-else if分支,扩展性差,可以使用switch等其他代码代替,减小复杂度。
3.输出表格尽量用指标符。
OPP9
设计与分析
类图设计与分析

在题目集8的基础上,将Good类,Customer类抽象化,新增个人和团队类,支付方式类。
在原系统基础上,将Customer类抽象,保留客户编号、姓名等通用属性与方法,新增Individual和Team子类。前者增加身份证号属性,后者添加营业执照号属性,二者重写方法区分客户类型,实现差异化管理。Goods类也进行抽象,包含货物基本属性与通用计算方法。派生出普通货物、易碎品、危险品等子类,针对不同货物类型设定差异化计费和运输逻辑。新增PaymentMethod类,涵盖多种支付方式枚举,具备支付处理功能并记录支付信息。在Order类中引入该类对象,完成订单支付闭环,提升客户支付体验与财务数据管理准确性。
代码静态分析

件有 342 行代码,含 163 条语句,分支语句占比 12.9% ,方法调用语句占 30% ,但注释行占比为 0%,不利于代码理解维护。代码含 9 个类和接口,平均每个类有 3.00 个方法,每个方法平均约 3.48 条语句 ,最复杂方法是 “ExpediteGoods.rate ()”,和题目集8的分析结果类似。
总结
题目集9的航空货运管理系统是题目集8的迭代,踩坑心得和改进建议和题目集8的一样,就不再列出了。题目集 8 与题目集 9 围绕航空货运管理系统的设计与扩展,系统考察了类的抽象、继承、多态等面向对象编程核心思想的应用,以及代码结构设计、业务逻辑实现和系统扩展性优化的能力。在题目集 8 中,通过设计Customer、Goods、Flight、Order、Main等具体类,初步实现了航空货运的基础业务流程,包括客户信息管理、货物计费、航班匹配及订单处理等功能。尽管代码结构较为清晰,但存在类职责划分不够细化(如Goods类承担过多业务逻辑)、方法复杂度较高(rate方法的多层条件判断)以及缺乏注释等问题,导致代码可维护性和扩展性受限。
题目集 9 在题目集 8 的基础上进行了系统性优化:通过抽象Customer和Goods类,引入Individual/Team子类和NormalGoods/FragileGoods/HazardousGoods子类,实现了客户类型和货物类型的差异化管理,符合 “开闭原则”;新增PaymentMethod类完善了订单支付闭环,提升了系统功能的完整性。此外,通过抽象类提取共性属性和方法,降低了类间耦合度,使系统结构更灵活。然而,代码仍存在注释缺失、部分方法复杂度较高(如ExpediteGoods.rate())等问题,需进一步通过策略模式重构条件分支逻辑,并补充必要注释以增强可读性。
通过这两次题目集的实践,不仅巩固了面向对象编程的基础语法(如抽象类、接口、继承),更重要的是学会了如何运用设计原则和模式解决实际问题,提升代码的可维护性和扩展性。同时,意识到代码质量(注释、复杂度、格式)在工程化开发中的关键作用,以及前期设计和需求分析对系统架构的深远影响。
浙公网安备 33010602011771号