555定时器-4 非稳态多谐振荡器配置
555定时器-4 非稳态多谐振荡器配置
前面的章节我们已讲述555定时器的单稳态模式和双稳态模式。本节将讨论非稳态模式。如何配置非稳态模式的定时器和其内部工作机制。
非稳态模式没有稳态状态,在高低电平连续振荡。也叫自激振荡器。跟之前讲过的单稳态和双稳态不同的地方时,非稳态不需要外部触发脉冲。它有一个内置的自动触发切换状态。
非稳态模式电路如下图,不需要外部开关。

图1 非稳态模式555定时器电路原理图
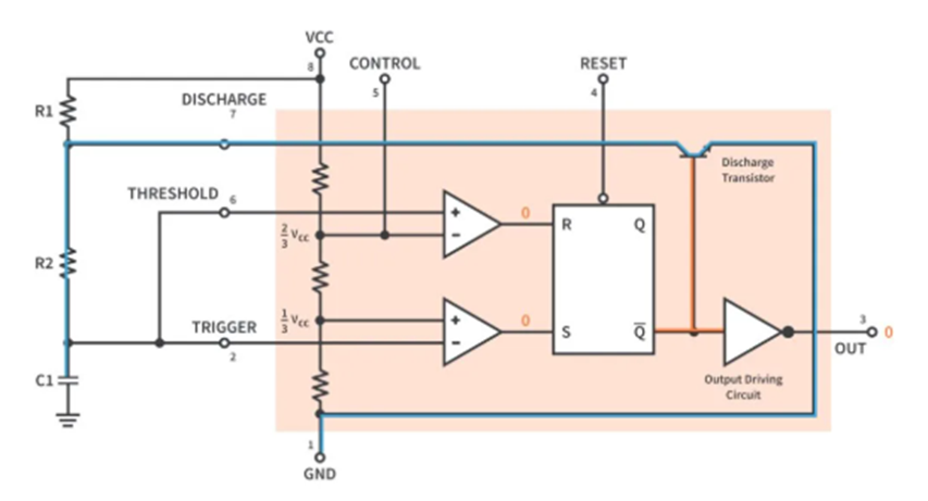
l 引脚6和2连接到一起,在任意时刻,这两个引脚接收相同的信号。
l 外部电容在触发端和阈值端的公共点,另一端接地。
l 放电引脚连接到两个外部电阻之间的节点。
l 控制端可以外接电压信号改变参考电压,这里还是用2/3Vcc的参考电压,控制端通过10nF接地。
非稳态模式的内部工作机制
第一步按照原理图连接电路后,上电,首先复位,清除浮动状态。然后,复位引脚回到高电平,准备后续操作。

图2 电容电压小于1/3Vcc时,置数触发器
最初,电容还未充电,电压为0V。如图所示,电容的电压也是触发端和阈值端的电压。非稳态电路比较特别的一点时,在任意时刻,只有一个比较器输出是1.当电容电压是0V时,上面一个比较器输出为0,下面一个比较器输出为1,定时器输出是1。
在之前的单稳态模式里也讲过,当Q非是0时,放电三极管截止,放电通路不通,电容通过两个电阻充电。

图3 电容开始充电从0V到2/3Vcc
电容的电压逐渐增加,超过1/3Vcc,下面的比较器输出0,触发器进入保持模式,Q非还是0,三极管还是截止,电容继续充电。
电容充电依靠电阻R1和R2,因此,充到2/3Vcc的时间由R1,R2和C1的值决定,计算公式如下:

所以,当电容充电期间,定时器的输出是1.

图4 电容电压超过2/3Vcc时,定时器输出0
最终,当电容电压超过2/3Vcc时,电路发生改变。上面的比较器输出为1,触发器复位,Q变成0,Q非变成1,定时器输出也变成0.
现在你就可以看到,当Q非是1时,三极管导通,电容通过R2,三极管到地的通路接通,开始放电。

图5 电容电压放电从2/3Vcc到1/2Vcc
电容电压小于2/3Vcc时,上面的比较器输出0,触发器进入保持状态。电容继续放电。
值得注意的是,放电通路的电阻是R2,所以放电至1/3Vcc的时间由下面的公式计算:

这意味着电容放电比充电快,放电期间,定时器输出0.

图6 电容电压降至1/3Vcc时,电路输出1
很快,电容电压降至1/3Vcc,引起定时器发生改变。下面的比较器输出1,触发器置数,Q为1,Q非为0,电路输出从0变成1.
同时,当Q非是0时,三极管截止,电容开始充电至2/3Vcc。
下图是非稳态模式电容电压的波形。起初,电容电压从0V升到2/3Vcc,定时器输出1,然后电容放电至1/3Vcc,定时器输出0,当降至1/3Vcc,又开始充电,到了2/3Vcc,又开始放电,循环充放。

图7 非稳态模式555定时器的输出波形
你可能会注意到,电容充放电的时长不同,所以定时器的输出高和低时长也不同。但是通过修改电容和电阻的参数,可以调整输出波形的占空比,这样就可以利用非稳态模式做很多应用:
l 用于信号频率和占空比调制。
l 用于方波信号产生。
l 用于产生同步时钟信号。
l 用于电机控制的PWM信号产生。
浙公网安备 33010602011771号