L30/L30A1坦克炮结构分析
继L11系列后,世界上唯一在使用全可燃药筒的高膛压楔闩坦克炮,自然有其特别之处。
L30A1是英国现役挑战者2主战坦克的主武器,发展自1980年代“CHIP”(挑战者/酋长升级项目)下的“CHARM”项目(挑战者/酋长武器,包括新型坦克炮和贫铀弹),设计试验阶段代号EXP 32 M1或XL30。
L30A1炮身长6863mm,身管长6604mm,导向部长度5787mm,药室容积11.65L,炮尾宽483mm,炮身全重1810kg。

L30A1炮身总成

挑战者2炮塔内部
L30/L30A1的反后坐装置布局和L11系列差别不大,都是制退机对称布置(上侧的制退机一侧并联安装一温度补偿器),复进机安装在摇架右下方的布局。

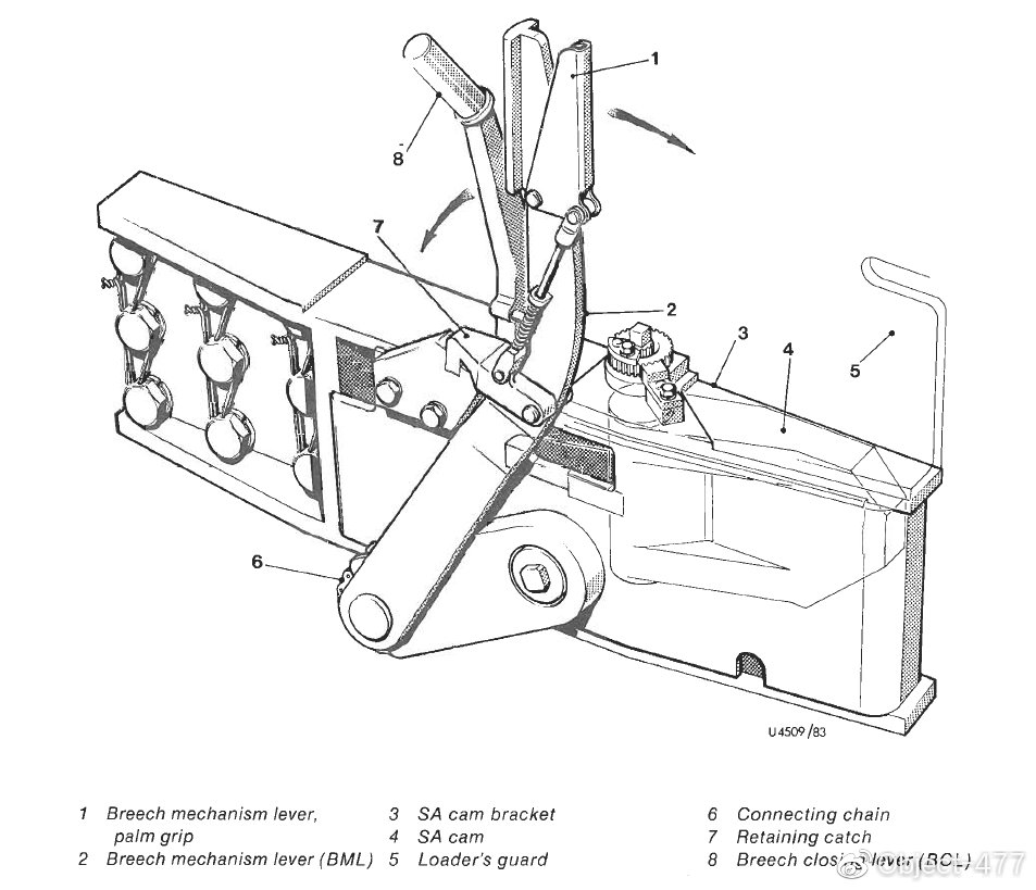
L30A1炮尾段主要部件

L11A5坦克炮装填示意图

XL30坦克炮所用的L4A1电点火管(L30A1所用的是L4A2,原理上无差别)

L11A5采用的L3A1 TVE
XL30/L30A1的点火方式和L11系列原理相同,都是采用电发火系统。电流通过击针(FNA)穿透TVE(电点火管)底部的触点,点燃装在TVE药筒内的装药,爆燃产物通过传火通道“Flash Channel”喷入火炮主药室,点燃药包/药筒底部的传火药垫,继而引燃发射药。
不过L30系列的L4A1/2 TVE和L11系列的L1A4/L3A1 TVE不可互换。L1A2和L3A1的筒体均为黄铜;L4A1/2的TVE筒体分为两段,前段为黄铜,后端底座部分是铍铜合金,主要是为了适应L30更高的使用膛压,解决了筒底受高压变形的问题。

L30A1,处于闭锁位置的分体炮闩
L30最显著的特征是采用了分体式炮闩,这种分体炮闩早在MBT-80的EXP28M1上就已经有应用。炮闩分为上闩体和下闩体两部分,通过铰链联接。其中下闩体上安装有点火管自动装填机构(ATL)及其弹药架(装10发TVE),电释放机构(RME),TVE抽筒子,点火击针组件(FNA)和止推套筒;下闩体两侧加工有凸轮槽用于和驱动轴闩内曲臂上的滑块配合构成凸轮滑块机构。上闩体上安装着紧塞具组件以及装弹托盘;上闩体通过滚轮与炮尾内侧的加工的凸轮槽配合组成凸轮滑块机构。

L30A1紧塞具总成

L30A1 BVA
L30系列之所以采用结构复杂的分体炮闩,主要是为了能够使用常用于螺式炮闩的巴日紧塞具,以满足更高膛压(500-600MPa)的使用要求(英国人的解决方案思路比较简单,但是实现起来比较复杂,而且巴日紧塞具是相当原始的闭气结构)。其特点是采用了一个菌状杆(BVA)前端安装有金属-非金属闭气环组件。
闭气环组件包括环形加强氯丁橡胶垫(没有采用全金属闭气环设计),橡胶环前后端面外缘镶嵌着金属楔形截面环,闭气环与上闩体镜面间安装有垫片以确保当关闩到位时闭气环与炮膛锥面紧密接触。垫片有多种厚度可选,当紧塞具初次安装到火炮上,选择正确的垫片以确保有效闭气。对于一般的巴日紧塞具,发射时,菌状杆受火药燃气压力后移,压缩闭气橡胶垫,使其向炮膛扩张紧贴药室壁。因菌状杆前面受燃气压力作用面积大于后面的面积,所以闭气垫所产生的压力总比火药燃气压力大,从而实现闭气功能。而在L30上,BVA和上闩体通过内六角螺栓固定,在闭锁后BVA还受止推套筒限制以保证TVE和FNA的相对位置,因此没有发生轴向刚体位移的可能,固闭气所需的位移量由设计预留的间隙和零部件弹性形变提供。闭气压力的一部分是关闩到位后闩体给紧塞具施加的预紧力(由垫片的过盈量提供)。

L30A1气密结构

L11系列楔式半自动闭气炮闩的闭气系统

L11系列的闭气环(膛底)
L11系列采用钢制闭气环,由弹簧产生预压力,有气密保险机构,结构较简单,工作可靠(设计膛压497.7MPa,一般使用膛压仅~380MPa)。闭气结构形式系膛外端面闭气,这种闭气方式突出的优点是炮闩系统结构紧凑、 动作简捷。由于膛外闭气构件的端面为一环形平面, 当闩体和炮尾在发射过程中呈现不对称变形时 , 不能保证闭气构件端面与闩体镜面或闩体垫板的良好贴合 , 高压气体首先从密封薄弱部位喷射泄漏, 继而波及临近平面, 使闭气构件很快遭到破坏 。因此, 膛外端面闭气的关键技术是炮闩系统变形不对称时如何保证闭气面的良好贴合 。膛外端面闭气方式的最大缺点是对炮闩和炮尾的等强度和等刚度设计要求较高。如果工作膛压超过500MPa,闭气环可能发生大的屈服 , 不能满足高膛压下的强度要求。

L30A1火炮防危板

TVEDU,正常情况下只要FNA与TVE底火接触就是绿灯(因此存在安全隐患)
L30把滑动防危板和关闩手柄的功能整合在了一起,这比起L11系列是一个进步,有效提高了装填效率。当装填手把滑动防危板拉到最后端,代表装填完毕,炮闩在半自动机(Semi-automative gear)的作用下自动关闭,击发电路处于接通状态,TVEDU(TVE显示单元)亮绿灯,火炮随时可以击发。(开火时琥珀色灯亮,未关闩到位或未装填都是红灯)

L30A1炮闩完全开启位置

L30A1炮闩完全闭锁位置
XL30/L30A1的工作过程:
初始炮闩处于完全闭锁状态,装填手拉开闩手柄,带动驱动轴曲臂顺时针旋转,压缩半自动机弹簧储能,同时带动下闩体向下运动,到一定位置时由于铰链的带动,上闩体顺势沿炮尾内壁凸轮槽轨迹运动,先沿炮身轴向抽出紧塞具,然后沿炮尾导轨向下运动直到闩体完全开启位置(这时可以用ATL装填TVE,也可以关闩后手动装填)。装填手装填射弹、药筒后,把滑动防危板拉到最后端,这时炮闩自动关闩闭锁——在半自动机弹簧的作用下,驱动轴带动闩内曲臂逆时针旋转,驱动下闩体向上运动,下闩体推动上闩体沿炮尾内滑轮槽运动,把BVA送入炮膛时上下闩体错开一定距离,关闩到位后,上下闩体以及炮尾相互楔紧,FNA和TVE底火对齐,火炮待击发。
火炮发射并后坐到位时滑动防危板卡铁解锁,炮尾上的机构钩住滑动防危板,使其随炮尾一同复进,复进过程中炮闩驱动轴闩外曲臂的凸轮从动件与固定防危板内侧下方的开闩板下凸轮曲面作用,使驱动轴顺时针旋转开闩,同时压缩半自动关闩机的弹簧,开闩起始阶段下闩体沿上闩体后端面下移,抽筒子钩住TVE底缘,上闩体抽出BVA的过程中,BVA后端面推动抽筒子尖端绕轴转动抽出TVE。开闩到位后,ATL自动装填新的TVE,半自动机受滑动防危板的关闩卡锁限制。装填手装填射弹、药筒,拉防危板关闩,进入下一个循环。

L11A5的开关闩手柄和关闩板,原理上和L30是一样的

安装了装弹托盘的炮闩
L30使用性能

根据英国军标,L30的设计膛压为618MPa(根据该标准,设计膛压DP=最大检验膛压PP Max)
L30系列身管的设计膛压曲线峰值为618MPa。使用CHARM1(L26A1)的最大使用膛压是515MPa(DX发射药),21℃初速1580m/s,指标要求2km 击穿600mm RHA,截止1987年对NHS 的θ50=75°,侵彻路径相当于580mm RHA;使用CHARM3(L27A1)的最大使用膛压为560MPa(FX发射药),21℃初速N/A(可以参考的1988年未来坦克炮初速为1650m/s),指标要求2km 击穿700mm RHA,相当于NHS@77.63°,截止1990年仅预期穿透678~693mm RHA。
NHS=北约重型单层靶,厚度150mm


CHARM1(L26A1)【1987年数据,未定型】,射弹重8.0kg,射弹长542mm,穿杆长500mm,飞行体重4.3kg,穿杆重4.1kg


CHARM3(L27A1)【1990年数据,未定型】,射弹重9.5kg,射弹长660mm,穿杆长605mm,穿杆重5.2kg

                
            
        
浙公网安备 33010602011771号