单片机的定时器/计时器
1.结构工作原理
脉冲使计时器加1,//脉冲每微秒发射一次,改变计时器初始值可以让计时器更快或更慢引发中断
计时器溢出引发中断。
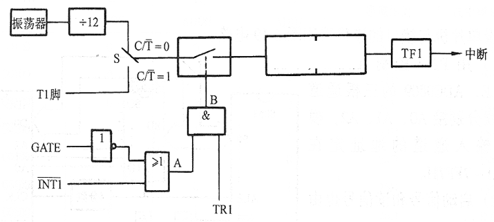
定时器:脉冲来源是系统脉冲
计时器:脉冲来源是外来信号
定时器本质是计算器

逻辑开关:
= 0→定时器方式,
= 1计数器方式
定时时间t = (计数器最大空间 - 计数初值)×机器周期 //机械周期单位为秒 hz的倒数

2个16位计数器T0,T1
TCON管理定时器工作
TMOD控制使用8位寄存器还是16位寄存器
T0 T1外部引脚,接外部脉冲
2.定时器的控制

gete为0,开关控制权是TR1
gete为1,开关控制权是外部中断1和TR1
TCON
TMOD

浙公网安备 33010602011771号