基于PID控制器的水力风力蓄电池联合发电系统simulink建模与仿真 - 详解
目录
1.课题概述
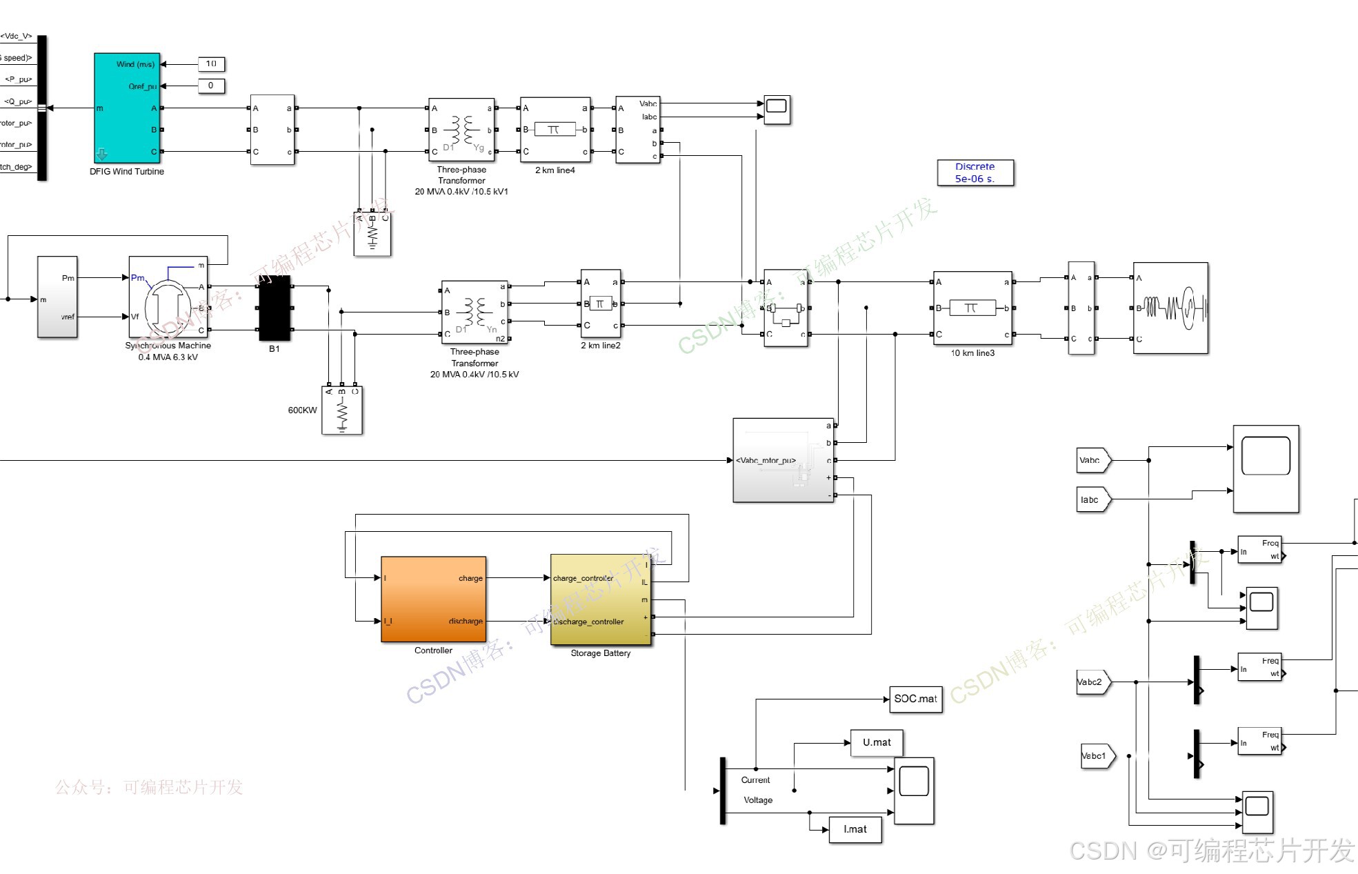
利用PID(比例 - 积分 - 微分)控制器的精准调节能力,建立了能源的互补利用与出力平滑控制,有效提升了平台的可靠性、稳定性和经济性。该系统的核心架构由水力发电单元、风力发电单元、蓄电池储能单元、负荷单元、PID控制单元组成。其中,蓄电池储能单元作为能量缓冲环节,在系统出力过剩时储存电能,在出力不足时释放电能,起到削峰填谷的作用。
2.系统仿真结果



3.核心程序
matlab2024b

02_0076m
4.平台原理简介
基于PID控制器的水力风力蓄电池联合发电系统,其核心原理围绕 “多能源出力预测-功率偏差检测-PID动态调节-多设备协同响应”展开,通过PID控制器对水力、风力、蓄电池的出力进行闭环控制,构建体系功率平衡与电能质量稳定。
风力发电子系统
风力发电子系统通过风力发电机组将风能转化为电能,核心设备包括风轮、齿轮箱、发电机(多为永磁同步发电机)及变流器。其出力特性直接依赖风速,数学模型可简化为:

当风速低于切入风速(通常 3-4m/s)时,机组不发电;风速在切入风速与额定风速(通常 12-15m/s)之间时,通过调节桨距角β或发电机转速,使Cp维持最大值,实现最大功率追踪(MPPT);风速超过额定风速时,增大桨距角β以降低Cp,限制输出功率不超过额定值。但风速的随机波动会导致Pw频繁变化,需PID控制器与变流器配合,抑制功率波动。
水力发电子系统
水力发电子系统通过水轮发电机组将水流的势能与动能转化为电能,核心设备包括拦水坝、引水管道、水轮机(如混流式、轴流式)、发电机及调速器。其出力由水流流量与水头决定,数学模型可简化为:
![]()
其中, Ph 为水轮发电机输出功率(kW), ηh 为水轮发电机组效率(通常0.85-0.95), Q 为利用水轮机的流量(m³/s), H为作用于水轮机的净水头(m)。
出力相对稳定,但受流域降雨量、水库调度策略影响, Q和H会随季节变化(如枯水期Q减小, Ph下降)。环境中,水力发电主要承担 “基荷” 供电任务,依据调速器调节导水叶开度控制Q ,进而调节Ph ;当负荷或风电出力变化时,PID控制器可通过微调导水叶开度,高效补偿功率偏差,增强系统稳定性。就是水力发电的优势
蓄电池储能子系统
蓄电池储能子系统是联合发电系统的 “缓冲器” 与 “调节器”,核心设备包括蓄电池组(如锂电池、钒液流电池)、双向变流器(PCS)及电池管理系统(BMS)。其核心作用是 “削峰填谷”:
当风电+水电总出力Ptotal =Pw +Ph 大于负荷需求Pload 时,蓄电池充电,储存过剩电能;当P total <P load 时,蓄电池放电,补充功率缺口。
5.参考文献
[1]焦健.基于模糊控制的风水互补发电系统建模与仿真[D].东北石油大学,2013.
[2]田录林,张盛炜,田琦,等.含太阳能光热电站的风-光热-水电力系统联合优化调度[J].通信电源技术, 2018, 35(11):4.DOI:CNKI:SUN:TXDY.0.2018-11-007.
6.完整工程资料
v
关注后,回复关键词:a2
浙公网安备 33010602011771号