我也玩单片机:流水灯
2010-01-06 02:51 LeonDw 阅读(939) 评论(0) 收藏 举报一、点亮一个P1.0口的发光管
1、源代码
Code
1 #include<reg52.h>
2 #define uint unsigned int //宏定义
3 #define uchar unsigned char //宏定义
4 sbit led=P1^0; /*定义P1.0*/
5 sbit led1=P1^1;/*定义P1.1*/
6
7 main()
8 {
9 uint a;
10 while(1)
11 { a=50000;
12 led=0; /*点亮发光管*/
13 while(a--);
14 a=50000;
15 led=1;
16 while(a--);
17 }
18 }
Code
1 #include<reg52.h>
2 #define uint unsigned int //宏定义
3 #define uchar unsigned char //宏定义
4 sbit led=P1^0; /*定义P1.0*/
5 sbit led1=P1^1;/*定义P1.1*/
6
7 main()
8 {
9 uint a;
10 while(1)
11 { a=50000;
12 led=0; /*点亮发光管*/
13 while(a--);
14 a=50000;
15 led=1;
16 while(a--);
17 }
18 }
2、分析
1、位操作:置位
sbit的作用:
在C中sbit是“定义位变量”的说明性语句,并不产生指令代码;而在汇编中setb是一条真正的“指令”(意思就是set bit),在汇编中与C中sbit相对应的说明性语句是bit。下面是2种语言中等价的语句:
| C语言 | 汇编 |
| sbit led1=p1^0; | led1 bit P1.0 |
| led1=1; | setb led1 |
| led1=0; | clr led1 |
2、延时
利用循环多次运行指令的延时
怎么计算延时时间呢?
while(a--);这样的延时方式准确吗?
要自动化生成延时代码?试一下单片机小精灵吧。http://jy.newhua.com/soft/86816.htm#down
二、从左到右的流水灯
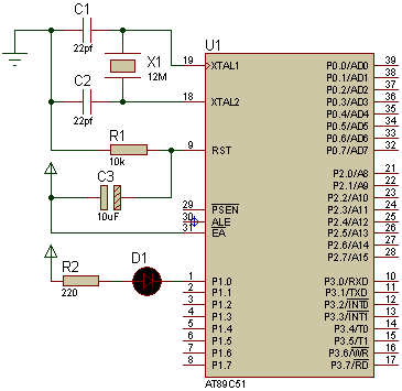
1、源代码AT89C51
Code
1 #include<reg52.h>
2 #include<intrins.h>
3 #include<math.h>
4 #include<stdio.h>
5 #define uchar unsigned char
6 #define uint unsigned int
7 void delay(uint z)
8 {
9 uint x,y;
10 for(x=z;x>0;x--)
11 for(y=110;y>0;y--);
12 }
13 void main()
14 {
15 uchar aa;
16 P0=0xfc;//低电平亮
17 while(1)
18 {
19 delay(500);
20 aa=P0;
21 //aa=_crol_(aa,1);
22 aa>>=1;
23 P0=aa;
24 }
25 }
Code
1 #include<reg52.h>
2 #include<intrins.h>
3 #include<math.h>
4 #include<stdio.h>
5 #define uchar unsigned char
6 #define uint unsigned int
7 void delay(uint z)
8 {
9 uint x,y;
10 for(x=z;x>0;x--)
11 for(y=110;y>0;y--);
12 }
13 void main()
14 {
15 uchar aa;
16 P0=0xfc;//低电平亮
17 while(1)
18 {
19 delay(500);
20 aa=P0;
21 //aa=_crol_(aa,1);
22 aa>>=1;
23 P0=aa;
24 }
25 }
2、分析
1、延时
这里的延时函数使用了双重循环:可以凑成整数单位,使输入参数更直观。
2、位移动
aa=_crol_(aa,1);
这是什么函数?其实,效果跟aa>>=1;是一样的。
INTRINS.H:内部函数
_crol_ 字符循环左移
_cror_ 字符循环右移
_irol_ 整数循环左移
_iror_ 整数循环右移
_lrol_ 长整数循环左移
_lror_ 长整数循环右移
_nop_ 空操作8051 NOP 指令
_testbit_ 测试并清零位8051 JBC 指令
详解:
函数名: _crol_,_irol_,_lrol_
原 型:
unsigned char _crol_(unsigned char val,unsigned char n);
unsigned int _irol_(unsigned int val,unsigned char n);
unsigned int _lrol_(unsigned int val,unsigned char n);
功 能:_crol_,_irol_,_lrol_以位形式将val 左移n 位,该函数与8051“RLA”指令。
参考:
C51中的INTRINS.H:内部函数 -- zalezou's Blog
三、左右来回的流水灯
电路图跟“二、从左到右的流水灯”一样
源代码
Code
1 void main()
2 {
3 uint led,i;
4 led=0x01;
5 while (1)
6 {
7 for(i=0;i<8;i++)
8 {
9 P2=led;
10 delay(500);
11 led<<=1;
12 }
13 for(i=8;i>0;i--)
14 {
15 P2=led;
16 delay(500);
17 led>>=1;
18 }
19 }
20 }
Code
1 void main()
2 {
3 uint led,i;
4 led=0x01;
5 while (1)
6 {
7 for(i=0;i<8;i++)
8 {
9 P2=led;
10 delay(500);
11 led<<=1;
12 }
13 for(i=8;i>0;i--)
14 {
15 P2=led;
16 delay(500);
17 led>>=1;
18 }
19 }
20 }

浙公网安备 33010602011771号