代码改变世界

模电:反馈

2009-12-15 23:34  LeonDw  阅读(860)  评论(0)    收藏  举报

一、反馈的应用

负反馈对放大器波形的改善

4263-412664790e90e085

晶体管是非线性器件

导致放大器输出失真

4263-412664790f3ac902

要引入负反馈

4263-41266479109c413c

使净输入信号变成反向失真,改善了输出波形。

二、负反馈类型的判别

1)首先要理解几个概念

判断有无反馈:输出回路与输入回路有由电阻、电容等元件构成的通路。否则,就无反馈啦。

正反馈、负反馈:见下文。

电压反馈:以放大电路的输出电压作为反馈网络的输入信号的称为电压反馈。输出电压引起的反馈。

电流反馈:以放大电路的输出电流作为反馈网络的输入信号的称为电流反馈。输出电流引起的反馈。

串联反馈:反馈量为电压的反馈。

并联反馈:反馈量为电流的反馈。

2)交流负反馈的组态

1>电压反馈or电流反馈

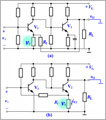
4263-4126647916f37c05

vo接地后,图(a)中vf消失,图(b)中vf不消失。

图(a)输出电压是反馈电压存在的原因,所以引入的是电压反馈。

而图(b)反馈电压不是因为输出电压而存在,是因为输出电流,所以引入的是电流反馈。

2>串联反馈or并联反馈

4263-412664791ade3ef5

4263-412664791b530ecb

输入端vi接地后,图(a)中vf不消失,图(b)中vf消失。

串联反馈or并联反馈是根据反馈量是电压or电流而定的。输入端接地致使反馈的电压量置为零,那么还存在vf的(图(b))也就是串联反馈啦!

所以图(a)串联反馈,图(b)是并联反馈。

3)、反馈极性:正反馈or负反馈

瞬时极性法:假设输入极性为正(或负)推出各点极性,最终得到反馈到输入端的信号极性。若反馈信号增大了净输入信号,则为正反馈。否则,为负反馈。

这里图(a)(b)都引入了负反馈。

其中图(a)反馈电压直接作用在输入端的输入电压。

图(b)作用在三极管的射极。

4263-412664791d9fab0c